首页
考研
最新考研题库
中外美术史23新版
建筑类
二级建造师
一级建造师
一级造价工程师
监理工程师
安全工程师
一级消防工程师
消防设施操作员
医学类
主治类
执业药师
护师(初级)资格证考试
主管护师(中级)资格证考试
护士资格证考试
医师类
中药学类
金融类
基金从业资格
银行从业资格
证券从业资格
期货从业资格
银行招聘考试
财会类
初级经济师
中级经济师
初级会计师
中级会计师
注册会计师
税务师
资产评估师
教师类
中学教师笔试
小学教师笔试
幼儿教师笔试
幼儿结构化面试
幼儿专业面试
中小学结构化面试
学历提升
成考(专升本)
成考(高起本、高起专)
自考
网校课程
登录
注册好礼
我的主页
我的提问
我的回答
退出
当前位置:
首页
>
(结构) 基础考试一级
>
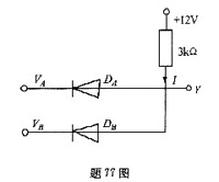
电路如图所示,设DA、DB为理想二极管,当VA=3V,VB=6V时,I等于( )mA。
单选
电路如图所示,设DA、DB为理想二极管,当VA=3V,VB=6V时,I等于( )mA。
A 3
B 2
C 4
D 15
正确答案
A
查看解析
搜索
相关试题
单选
单选题 图示截面的抗弯截面系数WZ为( )。
A A B B C C D D E E
查看
单选
单选题 一绳索跨过匀质滑轮B,绳的一端挂一重物A;另一端缠绕一匀质圆柱C,如图所示。已知重物A的质量为mA;定滑轮B和圆柱C的质量分别为mB和mC,它们的半径均
A A B B C C D D E E
查看
单选
单选题
A A B B C C D D E E
查看
单选
单选题 I=∮C|y|ds的值为下列( )项,其中C:(x2+y2)2=a2(x2-y2),a>0。
A A B B C C D D E E
查看
单选
与不等式“-5≤x≤5”对应的FORTRAN表达式为( )。
A -5LEXLE5 B XGE-5ORXLE-5 C XLE5A.ND.XGE-5 D -5≤X≤5
查看
单选
运动黏度为1.3×10-5m2/s的空气在宽b=1m,高h=1.5m的矩形截面通风管道中流动,保持层流流态的最大流速为( )。
A 0022m/s B 0033m/s C 0122m/s D 022m/s
查看
单选
阳极用镍、阴极用铁电解NiSO4,主要电解产物为( )。
A 阴极有H2产生 B 阴极产生Ni和H2 C 阳极有O2产生 D 阳极Ni溶解,阴极Ni析出
查看
单选
牛顿环实验中,平凸透镜和平玻璃板的折射率为n,其间为空气,后注射折射率为n'(n'>n)的透明液体,则反射光的干涉条纹将( )。
A 变疏 B 变密 C 不变 D 不能确定
查看
单选
单选题 展开成傅里叶级数时,该级数在x=0处的值为( )。
A A B B C C D D E E
查看
单选
若某企业向银行存人50万元,以后10年中希望每年得到7.5万元,(P/A,8%,10)=6.71,已知(P/A,9%,10)=6.418,则其年利率应为( )。
A 814% B 8% C 9% D 85%
查看
刷题小程序
热门试卷
注册结构工程师《公共基础考试》模拟卷1
注册结构工程师《公共基础考试》模拟卷2
注册结构工程师《公共基础考试》模拟卷3
注册结构工程师《公共基础考试》模拟卷4
注册结构工程师《公共基础考试》预测卷1
注册结构工程师《公共基础考试》预测卷2
注册结构工程师《公共基础考试》预测卷3
注册结构工程师《公共基础考试》预测卷4