首页
考研
最新考研题库
中外美术史23新版
建筑类
二级建造师
一级建造师
一级造价工程师
监理工程师
安全工程师
一级消防工程师
消防设施操作员
医学类
主治类
执业药师
护师(初级)资格证考试
主管护师(中级)资格证考试
护士资格证考试
医师类
中药学类
金融类
基金从业资格
银行从业资格
证券从业资格
期货从业资格
银行招聘考试
财会类
初级经济师
中级经济师
初级会计师
中级会计师
注册会计师
税务师
资产评估师
教师类
中学教师笔试
小学教师笔试
幼儿教师笔试
幼儿结构化面试
幼儿专业面试
中小学结构化面试
学历提升
成考(专升本)
成考(高起本、高起专)
自考
网校课程
登录
注册好礼
我的主页
我的提问
我的回答
退出
当前位置:
首页
>
(结构) 基础考试一级
>
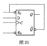
触发器D如图20所示,可以判定触发器的状态是( )。
单选
触发器D如图20所示,可以判定触发器的状态是( )。
A A、不变
B B、置1
C C、计数
D D、置0
正确答案
C
查看解析
搜索
相关试题
单选
一个完整的计算机系统应该指的是( )。
A A、硬件系统和软件系统 B B、主机与外部设备 C C、运算器,控制器和寄存器 D D、操作系统与主机
查看
单选
动力黏滞系数的量纲表达式为( )。
A A、MLT-2 B B、ML-1T-1 C C、ML-2T-1 D D、ML-1T-2
查看
单选
某住宅楼工程开工前,建设单位组织设计、施工、监理等单位在施工现场进行设计技术交底,以下( )做法不符合《建设工程质量管理条例》对设计单位质量责任和义务的规定。
A A、由于悬挑梁使用的422钢筋缺货,结构工程师进行了替代换算 B B、电器工程师对配电箱的注册商标、规格、型号、入网许可等要求进行了详细交待 C C、水暖工程师强调:分户采暖计量系统每组暖气包前的控制阀不得取消 D D、建筑工程师要求:外部造型的线条颜色甲方可以改变,但必须使用耐碱产品
查看
单选
=( )。
A A、0 B B<img border="0" alt="" src="https://tuku.weimei168.com/uploads/upimg/20251103/6908987_0_1.jpg">、、 C C、1 D D、2
查看
单选
单选题 过点A(1,1,1)与B(2,3,4)的直线方程为( )。
A A B B C C D D E E
查看
单选
图示18电路中,I1=5A、I2=-1A、R1=5kΩ、R2=2kΩ、R3=3kΩ时,I3的电流为( )A。
A A、4 B B、-4 C C、6 D D、-6
查看
单选
如图13所示梁B点处的竖向位移( )。
A A、向下 B B、为0 C C、可能向下也可能向上 D D、向上
查看
单选
在机床电力拖动中,要求液压泵电动机起动后主轴电动机才能起动,液压泵电动机接触器是KM1,主轴电动机接触器是KM2,则在此控制电路中必须( )。
A A、KM1的常闭触点与KM2线圈的串联 B B、KM1的线圈与KM2的常闭触点串联 C C、KM1的线圈与KM2的常开触点串联 D D、KM2的线圈与KM1的常开触点串联
查看
单选
不定积分=( )。
A A、ex(x2+2x-2)+C B B、ex(x2+2x+2)+C C C、ex(x2-2x+2)+C D D、ex(x2-2x-2)+C
查看
单选
如图6所示,已知一重力P=100N的物体放在水平面上,其摩擦因数为fs=0.3。当作用在物体上的水平推力F分别为10N,20N,40N时,分析这三种情况下,哪种
A A、F=10N时平衡 B B、F=10N时不平衡 C C、F=40N时平衡 D D、F=20N时不平衡
查看
刷题小程序
热门试卷
注册结构工程师《公共基础考试》模拟卷1
注册结构工程师《公共基础考试》模拟卷2
注册结构工程师《公共基础考试》模拟卷3
注册结构工程师《公共基础考试》模拟卷4
注册结构工程师《公共基础考试》预测卷1
注册结构工程师《公共基础考试》预测卷2
注册结构工程师《公共基础考试》预测卷3
注册结构工程师《公共基础考试》预测卷4