首页
考研
最新考研题库
中外美术史23新版
建筑类
二级建造师
一级建造师
一级造价工程师
监理工程师
安全工程师
一级消防工程师
消防设施操作员
医学类
主治类
执业药师
护师(初级)资格证考试
主管护师(中级)资格证考试
护士资格证考试
医师类
中药学类
金融类
基金从业资格
银行从业资格
证券从业资格
期货从业资格
银行招聘考试
财会类
初级经济师
中级经济师
初级会计师
中级会计师
注册会计师
税务师
资产评估师
教师类
中学教师笔试
小学教师笔试
幼儿教师笔试
幼儿结构化面试
幼儿专业面试
中小学结构化面试
学历提升
成考(专升本)
成考(高起本、高起专)
自考
网校课程
登录
注册好礼
我的主页
我的提问
我的回答
退出
当前位置:
首页
>
(结构) 基础考试一级
>
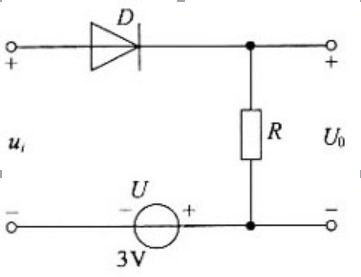
电路如图所示,D为理想二极管ui=6sinωt(V),则输出电压的最大值U0m为( )V。
单选
电路如图所示,D为理想二极管ui=6sinωt(V),则输出电压的最大值U0m为( )V。
A 6
B 3
C -3
D -6
正确答案
B
查看解析
搜索
相关试题
单选
剪应力互等定理只适用于( )。
A 线弹性范围 B 受剪切的构件 C 纯剪切应力状态 D 单元体上两个相互垂直平面上的剪应力分析
查看
单选
某项目设计生产能力100万吨,年固定成本2500万元.单位产品可变成本360元/吨,单位产品售价(不含税)400元/吨。要不致亏损,则该项目的生产能力利用率至少
A 60% B 625% C 75% D 805%
查看
单选
单选题 设A、B都是n阶可逆矩阵,且(AB)2=I,则(BA)2的值为( )。
A A B B C C D D E E
查看
单选
在H2S水溶液中,加入一些Na2S固体,将使( )。
A 溶液pH值减小 B 溶液pH值增大 C H2S平衡常数值减小 D H2S解离度增大
查看
单选
当气缸中的活塞迅速向外移动从而使气体膨胀时,气体所经历的过程( )。
A 是准静态过程,它能用p—V图上的一条曲线表示 B 不是准静态过程,但它能用p—V图上的一条曲线表示 C 不是准静态过程,它不能用p—V图上的一条曲线表示 D 是准静态过程,但它不能用p—V图上的一条曲线表示
查看
单选
在光栅光谱中,如果所有的偶数级次的主极大恰好在每缝衍射的暗纹方向上,那么此光栅的每个透光缝宽度a和相邻两缝间不透光的部分宽度b之间的关系为( )。
A '=B. B A.=2 C A.=3B. D A.=4B.
查看
单选
单选题 图示电路,D触发器完成的逻辑功能是( )。
A A B B C C D D E E
查看
单选
单选题 如图所示电路,换路前IL(0)=0。求该电路换路后的电压UL(t)等于( )。
A A B B C C D D E E
查看
单选
若级数 在x=-2处收敛,则此级数在x=5处的敛散性是( )。
A 发散 B 条件收敛 C 绝对收敛 D 收敛性不能确定
查看
单选
如图所示电路中,已知R1=R2=5Ω,Is=1A,a、6两端的电压Uab等于( )V。
A 25 B -25 C 5 D -5
查看
刷题小程序
热门试卷
注册结构工程师《公共基础考试》模拟卷1
注册结构工程师《公共基础考试》模拟卷2
注册结构工程师《公共基础考试》模拟卷3
注册结构工程师《公共基础考试》模拟卷4
注册结构工程师《公共基础考试》预测卷1
注册结构工程师《公共基础考试》预测卷2
注册结构工程师《公共基础考试》预测卷3
注册结构工程师《公共基础考试》预测卷4