单选

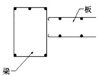
钢筋混凝土楼板低于梁顶时,楼板钢筋锚固图正确的是( )。

A
B
C
D

正确答案
D
查看解析

相关试题

单选
弹性受弯时,工字钢截面正应力分布图正确的是( )。
A <img border="0" alt="" src="https://tuku.weimei168.com/uploads/upimg/20251122/23425111_0_1.png"> B <img border="0" alt="" src="https://tuku.weimei168.com/uploads/upimg/20251122/23425111_0_2.png"> C <img border="0" alt="" src="https://tuku.weimei168.com/uploads/upimg/20251122/23425111_0_3.png"> D <img border="0" alt="" src="https://tuku.weimei168.com/uploads/upimg/20251122/23425111_0_4.png">
查看
单选
如图所示结构零杆数量是( )。
A 1 B 3 C 5 D 7
查看
单选
如图所示结构,则支座反力RC是( )。
B P/4 C P/2 D P
查看
单选
梁施工时,基础托梁承载力验算,按下列选项中的哪种进行?( )
A 轴心受拉构件 B 轴心受压构件 C 抗扭构件 D 受弯构件
查看
单选
钢结构不更换构件,可重复拆装的连接方式是( )。
A 普通螺栓 B 铆钉 C 承压型高强度螺栓 D 摩擦型高强度螺栓
查看
单选
关于木结构防火,说法错误的是( )。
A 应满足防火分隔要求 B 构件应满足燃烧性能和耐火极限的要求 C 施工现场的木构件应存放在火源下风侧 D 施工现场应配置消防器材
查看
单选
下列区域可不进行保温设计的是( )。
A 夏日冬冷A区 B 夏热冬冷B区 C 温和地区A区 D 温和地区B区
查看
单选
以下不属于侧面采光优点的是( )。
A 室内照度分布均匀 B 光具有明确的方向性 C 可以看到室外景物 D 构造简单,布置方便
查看
单选
给水管道安装空间小,阀门宜采用( )。
A 截止阀 B 电动阀 C 球阀 D 闸阀
查看
单选
关于雨水系统说法正确的是( )。
A 雨水管道可以与生活废水共同排放 B 应设置雨水控制系统和组织排放 C 阳台雨水可与屋面雨水共同排放 D 阳台洗衣机可经过雨水管进行排放
查看
刷题小程序
《建筑结构、建筑物理与设备》(知识题)题库小程序