首页
考研
最新考研题库
中外美术史23新版
建筑类
二级建造师
一级建造师
一级造价工程师
监理工程师
安全工程师
一级消防工程师
消防设施操作员
医学类
主治类
执业药师
护师(初级)资格证考试
主管护师(中级)资格证考试
护士资格证考试
医师类
中药学类
金融类
基金从业资格
银行从业资格
证券从业资格
期货从业资格
银行招聘考试
财会类
初级经济师
中级经济师
初级会计师
中级会计师
注册会计师
税务师
资产评估师
教师类
中学教师笔试
小学教师笔试
幼儿教师笔试
幼儿结构化面试
幼儿专业面试
中小学结构化面试
学历提升
成考(专升本)
成考(高起本、高起专)
自考
网校课程
登录
注册好礼
我的主页
我的提问
我的回答
退出
当前位置:
首页
>
《建筑结构、建筑物理与设备》(知识题)
>
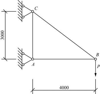
图示结构,杆件BC的内力是( )。
单选
图示结构,杆件BC的内力是( )。
A 4P/3(拉力)
B 4P/3(压力)
C 5P/3(拉力)
D 5P/3(压力)
正确答案
C
查看解析
搜索
相关试题
单选
单选题 图示支座A,与约束力相对应的支座形式是( )。
A A B B C C D D E E
查看
单选
单选题 图示矩形截面梁,剪应力沿截面高度分布示意图正确的是( )。
A A B B C C D D E E
查看
单选
图示结构的超静定次数是( )。
A 2次 B 3次 C 4次 D 5次
查看
单选
单选题 图示结构弯矩示意图正确的是( )。
A A B B C C D D E E
查看
单选
单选题 图示封闭式房屋风荷载整体计算时,体型系数μs最小的是( )。
A A B B C C D D E E
查看
单选
图示桁架的零杆数量是( )。
A 2 B 3 C 4 D 5
查看
单选
单选题 图示受力简支梁,当各梁横截面面积相同时,其横截面1点位置弯曲正应力最小的是( )。
A A B B C C D D E E
查看
单选
图示桁架的零杆数量是( )。
A 2 B 3 C 4 D 5
查看
单选
图示结构,支座A处的弯矩值是( )。
A ql2/4 B ql2/2 C ql2 D 2ql2
查看
单选
单选题 图示结构剪力示意图正确的是( )。
A A B B C C D D E E
查看
刷题小程序
热门试卷
二级建筑师《建筑结构、建筑物理与设备》真题精选1
二级建筑师《建筑结构、建筑物理与设备》真题精选2
二级建筑师《建筑结构、建筑物理与设备》真题精选3
二级建筑师《建筑结构、建筑物理与设备》真题精选4
二级建筑师《建筑结构、建筑物理与设备》真题精选5