单选

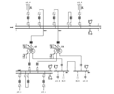
单选题 某电网规划建设一座220kV变电所,安装2台主变,三侧电压为220/110/10kV。220kV、110kV为双母线接线,10kV为单母线分段接线。220kV出线4回,10kV电缆出线16回,每回长2km。110kV出线无电源。电气主接线如下图所示,请回答下列问题。若主变高压侧并列运行,为限制该变电所10kV母线短路电流,需采取相应措施。以下哪种措施不能有效限制10kV母线短路电流?为什么?

A (A) 提高主变阻抗
B (B) 10kV母线分列运行
C (C)在主变低压侧加装串联电抗器
D (D) 110kV母线分列运行,10kV母线并列运行

正确答案
D
查看解析

相关试题

刷题小程序
电气工程师发输变电专业题库小程序