首页
考研
最新考研题库
中外美术史23新版
建筑类
二级建造师
一级建造师
一级造价工程师
监理工程师
安全工程师
一级消防工程师
消防设施操作员
医学类
主治类
执业药师
护师(初级)资格证考试
主管护师(中级)资格证考试
护士资格证考试
医师类
中药学类
金融类
基金从业资格
银行从业资格
证券从业资格
期货从业资格
银行招聘考试
财会类
初级经济师
中级经济师
初级会计师
中级会计师
注册会计师
税务师
资产评估师
教师类
中学教师笔试
小学教师笔试
幼儿教师笔试
幼儿结构化面试
幼儿专业面试
中小学结构化面试
学历提升
成考(专升本)
成考(高起本、高起专)
自考
网校课程
登录
注册好礼
我的主页
我的提问
我的回答
退出
当前位置:
首页
>
电气工程师基础专业知识(基础考试)
>
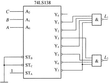
由3-8线译码器74LS138构成的逻辑电路如图所示,该电路能实现的逻辑功能为( )。
单选
由3-8线译码器74LS138构成的逻辑电路如图所示,该电路能实现的逻辑功能为( )。
A A.8421BCD码检测及四舍五入
B B.全减器
C C.全加器
D D.比较器
正确答案
C
查看解析
搜索
相关试题
单选
如图所示,A点的电压UA为( )。
A A.0V B B.100/3V C C.50V D D.75V
查看
单选
如图所示电路中,电阻RL应为下列哪项数值?( )
A A.18Ω B B.13.5Ω C C.9Ω D D.6Ω
查看
单选
如图所示电路中,若u=0.5V,i=1A,则is为( )。
A A.-0.25A B B.0.125A C C.-0.125A D D.0.25A
查看
单选
在图所示电路中,当负载电阻R为何值时,能够获得最大功率?( )
A A.10 B B.2 C C.3 D D.6
查看
单选
如图所示电路中,电压u是( )。
A A.48V B B.24V C C.4.8V D D.8V
查看
单选
正弦电流通过电容元件时,电流应为下列哪项数值?( )
A A.jωCUm B B.<img border="0" alt="" src="https://tuku.weimei168.com/uploads/upimg/20251103/24214544_0_1.png"> C C.-jωCUm D D.<img border="0" alt="" src="https://tuku.weimei168.com/uploads/upimg/20251103/24214544_0_2.png">
查看
单选
图示空心变压器ab间的输入阻抗为( )。
A A.j3Ω B B.-j3Ω C C.j4Ω D D.-j4Ω
查看
单选
在图示正弦交流电路中,若电源电压有效值U=100V,角频率为ω,电流有效值I=I1=I2,电源提供的有功功率P=866W,则电阻R的值为( )。
A A.16Ω B B.8Ω C C.86.6Ω D D.8.66Ω
查看
单选
在RLC串联电路中,XL=20Ω,若总电压维持不变而将L短路,总电流的有效值与原来相同,则XC应为下列何值?( )
A A.40Ω B B.30Ω C C.10Ω D D.5Ω
查看
单选
一电源输出电压为220V,最大输出功率为20kVA,当负载额定电压U=220V,额定功率为P=4kW,功率因数cosφ=0.8,则该电源最多可带负载的个数为(
A A.8 B B.6 C C.4 D D.3
查看
刷题小程序
热门试卷
电气工程师《(供配电)专业基础》模拟卷1
电气工程师《(供配电)专业基础》模拟卷2
电气工程师《(供配电)专业基础》模拟卷3
电气工程师《(供配电)专业基础》模拟卷4
电气工程师《(发输变电)专业基础》模拟卷1
电气工程师《(发输变电)专业基础》模拟卷2
电气工程师《(发输变电)专业基础》模拟卷3
电气工程师《(发输变电)专业基础》模拟卷4
电气工程师《(发输变电)专业基础》模拟卷5
电气工程师《(发输变电)专业基础》模拟卷6
电气工程师《(发输变电)专业基础》预测卷1
电气工程师《(发输变电)专业基础》预测卷2
电气工程师《(发输变电)专业基础》预测卷3
电气工程师《(供配电)专业基础》预测卷1
电气工程师《(供配电)专业基础》预测卷2