单选

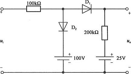
如图所示,设二极管为理想元件,当ui=150V时,u0为(  )。

A A.25V
B B.75V
C C.100V
D D.150V

正确答案
C
查看解析

相关试题

单选
如图所示电路中,1A电流源发出的功率为( )。
A A.6W B B.-2W C C.2W D D.-6W
查看
单选
如图所示电路中,电流I为下列哪项数值?( )
A A.-1A B B.2A C C.-2A D D.3A
查看
单选
图所示电路,电流源两端电压U等于( )。
A A.10V B B.8V C C.12V D D.4V
查看
单选
如图所示电路中,当R为下列哪项数值时,它能获得最大功率?( )
A A.7.5Ω B B.4.5Ω C C.5.2Ω D D.5.5Ω
查看
单选
图所示电路,已知负载ZL能够获得的最大功率是( )。
A A.1.5W B B.3.5W C C.6.5W D D.8.0W
查看
单选
正弦电流通过电容元件时,下列关系中正确的是( )。
A A.<img border="0" alt="" src="https://tuku.weimei168.com/uploads/upimg/20251103/24214304_0.png"> B B.<img border="0" alt="" src="https://tuku.weimei168.com/uploads/upimg/20251103/24214304_0_1.png"> C C.<img border="0" alt="" src="https://tuku.weimei168.com/uploads/upimg/20251103/24214304_0_2.png"> D D.uC=i/(jωC)
查看
单选
如图所示含耦合电感电路中,已知L1=0.1H,L2=0.4H,M=0.12H。ab端的等效电感Lab为( )。
A A.0.064H B B.0.062H C C.0.64H D D.0.62H
查看
单选
有一个由R=3kΩ,L=4H和C=1μF三个元件相串联的电路。若电路振荡,则振荡频率应为下列哪项数值?( )
A A.331rad/s B B.500rad/s C C.375rad/s D D.750rad/s
查看
单选
如图所示电路为对称三相电路,相电压为200V,Z1=Z2=150-j150Ω。为( )。
A A.<img border="0" alt="" src="https://tuku.weimei168.com/uploads/upimg/20251103/24214307_0_2.png"> B B.<img border="0" alt="" src="https://tuku.weimei168.com/uploads/upimg/20251103/24214307_0_3.png"> C C.<img border="0" alt="" src="https://tuku.weimei168.com/uploads/upimg/20251103/24214307_0_4.png"> D D.<img border="0" alt="" src="https://tuku.weimei168.com/uploads/upimg/20251103/24214307_0_5.png">
查看
单选
如图所示电路中电压u含有基波和三次谐波,基波角频率为10^4rad/s。若要求u1中不含基波分量而将其中的三次谐波分量全部取出,则C1应为下列何值?( )
A A.2.5μF B B.1.25μF C C.5μF D D.10μF
查看
刷题小程序
电气工程师基础专业知识(基础考试)题库小程序