单选

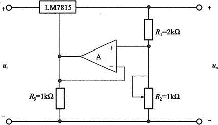
电路如图所示,如果放大器是理想运放,直流输入电压满足理想运放的要求,则电路的输出电压Uo最大值为(  )。

A A.15V
B B.18V
C C.22.5V
D D.30V

正确答案
C
查看解析

相关试题

单选
图电路中,u=10V,则5V电压源发出的功率为( )。
A A.5W B B.10W C C.-5W D D.-10W
查看
单选
如图所示电路中,L1=0.1H,L2=0.2H,M=0.1H,若电源频率是50Hz,则电路等值阻抗是( )。
A A.j31.4 B B.j6.28 C C.-j31.4 D D.-j6.28
查看
单选
图电路中,若u=0.5V,i=1A,则is为( )。
A A.-0.25A B B.0.125A C C.-0.125A D D.0.25A
查看
单选
如图所示电路的戴维南等效电路参数Uoc和Req为( )。
A A.8V,2Ω B B.3V,1Ω C C.4V,14Ω D D.3.6V,1.2Ω
查看
单选
图正弦稳态电路中,若,电流表A读数为40A,电流表A2的读数为28.28A,则ωL应为( )。
A A.2Ω B B.5Ω C C.1Ω D D.1.5Ω
查看
单选
在一个由R、L、C串联的电路中,若总电压U,电容电压UC及RL两端的电压URL均为100V,且R=10Ω,则电流I为下列哪项数值?( )
A A.10A B B.8.66A C C.5A D D.5.77A
查看
单选
如图所示电路中U=220V,f=50Hz,S断开及闭合时电流I的有效值均为0.5A,则感抗XL为下列何值?( )
A A.440Ω B B.220Ω C C.380Ω D D.不能确定
查看
单选
图RLC串联电路中,已知R=10Ω,L=0.05H,C=50μF,电源电压为:u(t)=20+90sin(ωt)+30sin(3ωt+45°)V,电源的基波角频
A A.<img border="0" alt="" src="https://tuku.weimei168.com/uploads/upimg/20251103/24214966_0_1.png"> B B.<img border="0" alt="" src="https://tuku.weimei168.com/uploads/upimg/20251103/24214966_0_2.png"> C C.<img border="0" alt="" src="https://tuku.weimei168.com/uploads/upimg/20251103/24214966_0_3.png"> D D.<img border="0" alt="" src="https://tuku.weimei168.com/uploads/upimg/20251103/24214966_0_4.png">
查看
单选
图电路中u=10sin(ωt)V,i=2sin(ωt)A,ω=1000rad/s,则无源二端网络N可以看作R和与C串联,其数值应为下列哪组?( )
A A.1Ω,1.0μF B B.1Ω,0.125μF C C.4Ω,1.0μF D D.2Ω,1.0μF
查看
单选
电路如图所示,当t=0时,闭合开关S,有iL1(0-)=UL2(0-)=0,则UL1(0+)为( )。
A A.1.5V B B.6V C C.3V D D.7.5V
查看
刷题小程序
电气工程师基础专业知识(基础考试)题库小程序