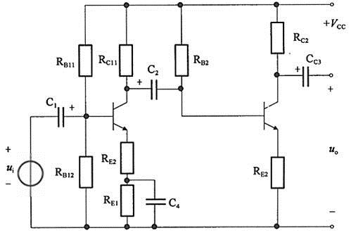
单选

如图所示电路中,为使输出电压稳定,应该引入下列(  )反馈方式。

A A.电压并联负反馈
B B.电流并联负反馈
C C.电压串联负反馈
D D.电流串联负反馈

正确答案
C
查看解析

相关试题

单选
按照图所选定的参考方向,电流i的表达式为:,如果把参考方向选成相反的方向,则i的表达式是:( )。
A A.<img border="0" alt="" src="https://tuku.weimei168.com/uploads/upimg/20251103/24214899_0_2.png"> B B.<img border="0" alt="" src="https://tuku.weimei168.com/uploads/upimg/20251103/24214899_0_3.png"> C C.<img border="0" alt="" src="https://tuku.weimei168.com/uploads/upimg/20251103/24214899_0_4.png"> D D.<img border="0" alt="" src="https://tuku.weimei168.com/uploads/upimg/20251103/24214899_0_5.png">
查看
单选
有一个由R=3kΩ,L=4H和C=1μF三个元件相串联的电路。若电路发生谐振,则振荡频率为应为下列哪项数值?( )
A A.331rad/s B B.500rad/s C C.375rad/s D D.750rad/s
查看
单选
图电路的戴维南等效电路参数US和RS分别为( )。
A A.10V和5Ω B B.2V和3.5Ω C C.2V和5Ω D D.10V和3.5Ω
查看
单选
列写节点方程时,如图所示部分电路中B点的自导为( )。
A A.7S B B.-14S C C.5S D D.4S
查看
单选
图对称三相电路中已知电源线电压为380V,线阻抗ZL=j2Ω,负载ZA=(24+j12)Ω,则负载的相电流有效值为( )。
A A.22A B B.38A C C.38/3A D D.<img border="0" alt="" src="https://tuku.weimei168.com/uploads/upimg/20251103/24214903_0.png">
查看
单选
已知RLC串并联电路如图所示,电路的谐振角频率为( )。
A A.<img border="0" alt="" src="https://tuku.weimei168.com/uploads/upimg/20251103/24214904_0_1.png"> B B.<img border="0" alt="" src="https://tuku.weimei168.com/uploads/upimg/20251103/24214904_0_2.png"> C C.<img border="0" alt="" src="https://tuku.weimei168.com/uploads/upimg/20251103/24214904_0_3.png"> D D.<img border="0" alt="" src="https://tuku.weimei168.com/uploads/upimg/20251103/24214904_0_4.png">
查看
单选
如图所示电路的谐振频率应为下列哪项?( )
A A.<img border="0" alt="" src="https://tuku.weimei168.com/uploads/upimg/20251103/24214905_0_1.png"> B B.<img border="0" alt="" src="https://tuku.weimei168.com/uploads/upimg/20251103/24214905_0_2.png"> C C.<img border="0" alt="" src="https://tuku.weimei168.com/uploads/upimg/20251103/24214905_0_3.png"> D D.<img border="0" alt="" src="https://tuku.weimei168.com/uploads/upimg/20251103/24214905_0_4.png">
查看
单选
已知某一端口网络的电压u=311sin314tV,若流入的电流为i=0.8sin(314t-85°)+0.25sin(942t-105°)A,该网络吸收的平均功
A A.5.42W B B.10.84W C C.6.87W D D.9.83W
查看
单选
在R、L、C串联电路中,若总电压U、电感电压UL及RC两端的电压URC均为400V,且R=50Ω,则电流I为( )。
A A.8A B B.8.660A C C.1.732A D D.6.928A
查看
单选
图电路,换路前已处于稳定状态,在t=0时开关K打开,换路后的电感电流iL(t)为( )。
A A.(3-e^-0.0^5t)A B B.(3+e^-0.0^5t)A C C.(3+e^-20t)A D D.(3-e^-20t)A
查看
刷题小程序
电气工程师基础专业知识(基础考试)题库小程序