首页
考研
最新考研题库
中外美术史23新版
建筑类
二级建造师
一级建造师
一级造价工程师
监理工程师
安全工程师
一级消防工程师
消防设施操作员
医学类
主治类
执业药师
护师(初级)资格证考试
主管护师(中级)资格证考试
护士资格证考试
医师类
中药学类
金融类
基金从业资格
银行从业资格
证券从业资格
期货从业资格
银行招聘考试
财会类
初级经济师
中级经济师
初级会计师
中级会计师
注册会计师
税务师
资产评估师
教师类
中学教师笔试
小学教师笔试
幼儿教师笔试
幼儿结构化面试
幼儿专业面试
中小学结构化面试
学历提升
成考(专升本)
成考(高起本、高起专)
自考
网校课程
登录
注册好礼
我的主页
我的提问
我的回答
退出
当前位置:
首页
>
电气工程师基础专业知识(基础考试)
>
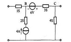
列写节点方程,图所示电路中BC间互导为( )S。
单选
列写节点方程,图所示电路中BC间互导为( )S。
A A.2
B B.-14
C C.3
D D.-3
正确答案
D
查看解析
搜索
相关试题
单选
图所示电路中iS=10sinωtA,当电路发生谐振时,电容C中电流的振幅应为( )A。
A A.0 B B.10 C C.20 D D.40
查看
单选
在图所示电路中,电压UAB在开关S断开后应比开关S闭合时( )。
A A.增大 B B.不变 C C.减少 D D.不能确定
查看
单选
直流电动机正常工作时,以下属于交变量的是( )。
A A.主电源电压 B B.主磁极中的磁通 C C.励磁电流 D D.电枢绕组中的电流
查看
单选
RAM的基本结构包含地址译码器、存储矩阵和读写电路三大部分。一个RAM芯片有11个地址输入端,8个数据输出端,则该RAM芯片的容量是( )位。
A A.88 B B.880 C C.211×8 D D.28×11
查看
单选
两台变压器并联运行时,必须绝对满足的条件是变压器的( )。
A A.型号相同 B B.联接组标号相同 C C.变比相等 D D.短路电压相等
查看
单选
图所示电路中A点的电位为( )V。
A A.24.3 B B.60.7 C C.-24.3 D D.-2.85
查看
单选
单选题
A A B B C C D D E E
查看
单选
单选题 如图所示,给平行板电容器加电压V0,其极板上所受的电场力为( )。
A A B B C C D D E E
查看
单选
在图中,系统在k点发生三相短路,各元件标准值电抗在元件下方,计算短路电流的总阻抗为( )。
A A.x∑=0.248 B B.x∑=(0.125+0.105+0.08)//(0.10) C C.x∑=0.41 D D.x∑=0.31
查看
单选
在大电流系统中,发生单相接地故障时,零序电流和通过故障点的电流在相位上是( )。
A A.同相位 B B.相差90° C C.相差45° D D.相差120°
查看
刷题小程序
热门试卷
电气工程师《(供配电)专业基础》模拟卷1
电气工程师《(供配电)专业基础》模拟卷2
电气工程师《(供配电)专业基础》模拟卷3
电气工程师《(供配电)专业基础》模拟卷4
电气工程师《(发输变电)专业基础》模拟卷1
电气工程师《(发输变电)专业基础》模拟卷2
电气工程师《(发输变电)专业基础》模拟卷3
电气工程师《(发输变电)专业基础》模拟卷4
电气工程师《(发输变电)专业基础》模拟卷5
电气工程师《(发输变电)专业基础》模拟卷6
电气工程师《(发输变电)专业基础》预测卷1
电气工程师《(发输变电)专业基础》预测卷2
电气工程师《(发输变电)专业基础》预测卷3
电气工程师《(供配电)专业基础》预测卷1
电气工程师《(供配电)专业基础》预测卷2