首页
考研
最新考研题库
中外美术史23新版
建筑类
二级建造师
一级建造师
一级造价工程师
监理工程师
安全工程师
一级消防工程师
消防设施操作员
医学类
主治类
执业药师
护师(初级)资格证考试
主管护师(中级)资格证考试
护士资格证考试
医师类
中药学类
金融类
基金从业资格
银行从业资格
证券从业资格
期货从业资格
银行招聘考试
财会类
初级经济师
中级经济师
初级会计师
中级会计师
注册会计师
税务师
资产评估师
教师类
中学教师笔试
小学教师笔试
幼儿教师笔试
幼儿结构化面试
幼儿专业面试
中小学结构化面试
学历提升
成考(专升本)
成考(高起本、高起专)
自考
网校课程
登录
注册好礼
我的主页
我的提问
我的回答
退出
当前位置:
首页
>
电气工程师基础专业知识(基础考试)
>
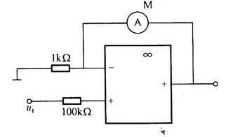
电路如图所示,M为直流电流表,若M的最大量程为100μA,则同相输入端的最大输入电压约为( )mV。
单选
电路如图所示,M为直流电流表,若M的最大量程为100μA,则同相输入端的最大输入电压约为( )mV。
A A.100
B B.50
C C.1
D D.0
正确答案
A
查看解析
搜索
相关试题
单选
作星形联结有中线的三相不对称负载,接于对称的三相四线制电源上,则各相负载的电压( )。
A A.不对称 B B.对称 C C.不一定对称 D D.完全相等
查看
单选
电流互感器的零序接线方式,在运行中( )。
A A.只能反映零序电流,用于零序保护 B B.能测量零序电压和零序方向 C C.只能测零序电压 D D.能测量零序功率
查看
单选
两平行导体通过同方向电流时,导体受力方向为( )。
A A.互相排斥 B B.互相吸引 C C.时而相斥、时而相吸 D D.不受力
查看
单选
用来支持或悬挂导线并使导线与杆塔绝缘的器件是( )。
A A.杆塔 B B.金具 C C.绝缘子 D D.保护包皮
查看
单选
采用一台三相三柱式电压互感器,接成Yyn0,形接线,该方式能进行( )。
A A.相对地电压的测量 B B.相间电压的测量 C C.电网运行中的负荷电流监视0 D D.负序电流监视
查看
单选
用有载调压变压器的调压装置进行调整电压时,对系统来说( )。
A A.起不了多大作用 B B.能提高功率因数 C C.补偿了无功不足的情况 D D.降低功率因数
查看
单选
单选题
A A B B C C D D E E
查看
单选
正弦波振荡器如图所示,为了获得频率可调的输出电压,则应该调节的电阻是( )。
A A.R1 B B.RF C C.R D D.RF和R1
查看
单选
单选题 在图中,电路的逻辑表达式为:( )。
A A B B C C D D E E
查看
单选
单选题 交流异步电动机的等效电路中用一只负载电阻代表轴上的机械功率输出,该电阻的计算公式为( )。
A A B B C C D D E E
查看
刷题小程序
热门试卷
电气工程师《(供配电)专业基础》模拟卷1
电气工程师《(供配电)专业基础》模拟卷2
电气工程师《(供配电)专业基础》模拟卷3
电气工程师《(供配电)专业基础》模拟卷4
电气工程师《(发输变电)专业基础》模拟卷1
电气工程师《(发输变电)专业基础》模拟卷2
电气工程师《(发输变电)专业基础》模拟卷3
电气工程师《(发输变电)专业基础》模拟卷4
电气工程师《(发输变电)专业基础》模拟卷5
电气工程师《(发输变电)专业基础》模拟卷6
电气工程师《(发输变电)专业基础》预测卷1
电气工程师《(发输变电)专业基础》预测卷2
电气工程师《(发输变电)专业基础》预测卷3
电气工程师《(供配电)专业基础》预测卷1
电气工程师《(供配电)专业基础》预测卷2