首页
考研
最新考研题库
中外美术史23新版
建筑类
二级建造师
一级建造师
一级造价工程师
监理工程师
安全工程师
一级消防工程师
消防设施操作员
医学类
主治类
执业药师
护师(初级)资格证考试
主管护师(中级)资格证考试
护士资格证考试
医师类
中药学类
金融类
基金从业资格
银行从业资格
证券从业资格
期货从业资格
银行招聘考试
财会类
初级经济师
中级经济师
初级会计师
中级会计师
注册会计师
税务师
资产评估师
教师类
中学教师笔试
小学教师笔试
幼儿教师笔试
幼儿结构化面试
幼儿专业面试
中小学结构化面试
学历提升
成考(专升本)
成考(高起本、高起专)
自考
网校课程
登录
注册好礼
我的主页
我的提问
我的回答
退出
当前位置:
首页
>
电气工程师基础专业知识(基础考试)
>
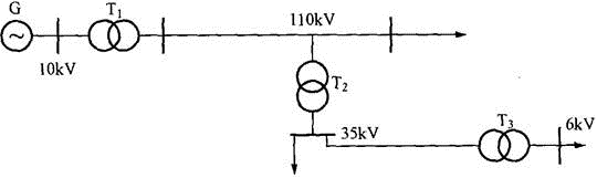
电力系统接线及各级电网的额定电压如图所示,发电机G和变压器T1、T2、T3的额定电压分别为下列哪组?( )
单选
电力系统接线及各级电网的额定电压如图所示,发电机G和变压器T1、T2、T3的额定电压分别为下列哪组?( )
A A.G:10.5kV T1:10.5/121kV T2:110/38.5kV T3:35/6.3kV
B B.G:10kV T1:10/121kV T2:121/35kV T3:35/6kV
C C.G:11kV T1:11/110kV T2:110/38.5kV T3:35/6.6kV
D D.G:10.5kV T1:10.5/110kV T2:121/35kV T3:35/6kV
正确答案
A
查看解析
搜索
相关试题
单选
电路如图所示,已知u=-8V,则8V电压源发出的功率为( )。
A A.12.8W B B.16W C C.-12.8W D D.-16W
查看
单选
如图所示电路A点的电压uA为下列何值?( )
A A.5V B B.5.21V C C.-5V D D.38.3V
查看
单选
图电路中,电流I为( )。
A A.0.5A B B.1A C C.1.5A D D.2A
查看
单选
电路图所示,图中的戴维南等效电路参数us和Rs分别为( )。
A A.16V,2Ω B B.12V,4Ω C C.8V,4Ω D D.8V,2Ω
查看
单选
图正弦电流电路已标明理想交流电压表的读数(对应电压的有效值),则电容电压的有效值为( )。
A A.10V B B.30V C C.40V D D.90V
查看
单选
如图所示,在电阻10Ω上的有功功率为10W,则总电路功率因数为( )。
A A.0.6 B B.0.5 C C.0.3 D D.不能确定
查看
单选
图对称三相电路,线电压380V,每相阻抗Z=(54+j72)Ω,则图中功率表读数为( )。
A A.334.78W B B.766.75W C C.513.42W D D.997W
查看
单选
如图所示电路中当u=36+100sin(ωt)V时,电流i=4+4sin(ωt)A,其中ω=400rad/s,则R为( )。
A A.4Ω B B.9Ω C C.20Ω D D.250Ω
查看
单选
如图所示电路为非正弦周期电路,若此电路中的R=10Ω,L1=1H,,C1=1μF,C2=0.125μF,则电阻R吸收的平均功率为( )。
A A.200W B B.250W C C.150W D D.300W
查看
单选
图电路中,电容有初始储能,若在t=0时将a、b两端短路,则在t≥0时电容电压的响应形式为( )。
A A.非振荡放电过程 B B.临界过程 C C.零状态响应过程 D D.衰减振荡过程
查看
刷题小程序
热门试卷
电气工程师《(供配电)专业基础》模拟卷1
电气工程师《(供配电)专业基础》模拟卷2
电气工程师《(供配电)专业基础》模拟卷3
电气工程师《(供配电)专业基础》模拟卷4
电气工程师《(发输变电)专业基础》模拟卷1
电气工程师《(发输变电)专业基础》模拟卷2
电气工程师《(发输变电)专业基础》模拟卷3
电气工程师《(发输变电)专业基础》模拟卷4
电气工程师《(发输变电)专业基础》模拟卷5
电气工程师《(发输变电)专业基础》模拟卷6
电气工程师《(发输变电)专业基础》预测卷1
电气工程师《(发输变电)专业基础》预测卷2
电气工程师《(发输变电)专业基础》预测卷3
电气工程师《(供配电)专业基础》预测卷1
电气工程师《(供配电)专业基础》预测卷2