单选

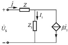
图正弦交流电路中,已知Z=10+j50Ω,Z1=400+j1000Ω,当β为下列哪项数值时,的相位差为90°?(  )

A A.-41
B B.41
C C.-51
D D.51

正确答案
A
查看解析

相关试题

单选
图电路中,已知R1=10Ω,R2=2Ω,US1=10V,US2=6V。电阻R2两端的电压U为( )。
A A.4V B B.2V C C.-4V D D.-2V
查看
单选
如图所示空心变压器AB间的输入阻抗为下列何值?( )
A A.j15Ω B B.j5Ω C C.j1.25Ω D D.j11.25Ω
查看
单选
图电路中电流源,RL=R2=1Ω,L=0.5H,C=0.5F。当负载ZL为多少Ω时,它能获得最大功率?( )
A A.1 B B.1/2 C C.1/4 D D.1/8
查看
单选
已知某电源的开路电压为220V,内阻为50Ω,如果把一个负载电阻R接到此电源上,当R为下列何值时,负载获得最大功率?( )
A A.25Ω B B.50Ω C C.100Ω D D.125Ω
查看
单选
正弦电压u=100cos(ωt+30°)V对应的有效值为( )。
A A.100V B B.<img border="0" alt="" src="https://tuku.weimei168.com/uploads/upimg/20251103/24215143_0.png"> C C.<img border="0" alt="" src="https://tuku.weimei168.com/uploads/upimg/20251103/24215143_0_1.png"> D D.50V
查看
单选
正弦电流流过电容元件时,下列哪项关系是正确的?( )
A A.Im=jωCUm B B.uc=Xcic C C.<img border="0" alt="" src="https://tuku.weimei168.com/uploads/upimg/20251103/24215144_0.png"> D D.<img border="0" alt="" src="https://tuku.weimei168.com/uploads/upimg/20251103/24215144_0_1.png">
查看
单选
图电路中,n为下列哪项数值时,R=4Ω电阻可以获得最大功率?( )
A A.2 B B.7 C C.3 D D.5
查看
单选
供电电路采取提高功率因数措施的目的在于( )。
A A.减少用电设备的有功功率 B B.减少用电设备的无功功率 C C.减少电源向用电设备提供的视在功率 D D.增大线路电流
查看
单选
图电路在开关S闭合时为对称三相电路,且三个电流表读数均为30A,Z=10-j10Ω。开关S闭合时,三个负载Z的总无功功率为( )。
A A.-9kvar B B.9kvar C C.150kvar D D.-150kvar
查看
单选
图电路中,若,,R=10Ω,L1=1mH,L2=2/3mH,则C2为( )。
A A.150μF B B.200μF C C.250μF D D.500μF
查看
刷题小程序
电气工程师基础专业知识(基础考试)题库小程序