首页
考研
最新考研题库
中外美术史23新版
建筑类
二级建造师
一级建造师
一级造价工程师
监理工程师
安全工程师
一级消防工程师
消防设施操作员
医学类
主治类
执业药师
护师(初级)资格证考试
主管护师(中级)资格证考试
护士资格证考试
医师类
中药学类
金融类
基金从业资格
银行从业资格
证券从业资格
期货从业资格
银行招聘考试
财会类
初级经济师
中级经济师
初级会计师
中级会计师
注册会计师
税务师
资产评估师
教师类
中学教师笔试
小学教师笔试
幼儿教师笔试
幼儿结构化面试
幼儿专业面试
中小学结构化面试
学历提升
成考(专升本)
成考(高起本、高起专)
自考
网校课程
登录
注册好礼
我的主页
我的提问
我的回答
退出
当前位置:
首页
>
电气工程师基础专业知识(基础考试)
>
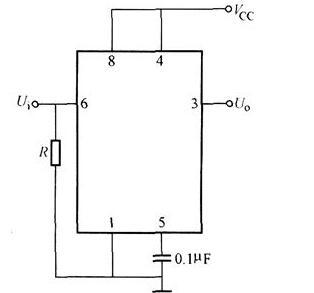
用555定时器构成的单稳态电路如图所示。已知电源电压VCC=10V,R=33kΩ,C=0.1μF,则输出电压的脉冲宽度为
单选
用555定时器构成的单稳态电路如图所示。已知电源电压VCC=10V,R=33kΩ,C=0.1μF,则输出电压的脉冲宽度为( )ms。
A A.10
B B.3.3
C C.1
D D.3.63
正确答案
D
查看解析
搜索
相关试题
单选
在图所示电路中,电压UAB在开关S断开后应比开关S闭合时( )。
A A. 增大 B B. 不变 C C. 减少 D D. 不能确定
查看
单选
单选题
A A B B C C D D E E
查看
单选
变压器与异步电动机磁路结构上存在的主要区别是( )。
A A.异步电动机是旋转的,变压器是静止的 B B.异步电动机的磁路存在气隙,而变压器的磁路可以封闭 C C.变压器的磁路存在气隙,而异步电动机的磁路可以封闭 D D.变压器的磁路相互影响,而异步电动机的磁路相互独立
查看
单选
判断以下电机中( )是感应电动机。
A A.交直流两用电动机 B B.交流同步电动机 C C.直流电动机 D D.笼型异步电动机
查看
单选
高压断路器的极限通过电流,是指( )。
A A.断路器在合闸状态下能承载的峰值电流 B B.断路器正常通过的最大电流 C C.在系统发生故障时断路器通过的最大的故障电流 D D.单相接地电流
查看
单选
A A.-11Ω B B.11Ω C C.-12Ω D D.12Ω
查看
单选
图所示电路的等效电阻RAB为( )Ω。
A A.5 B B.5.33 C C.5.87 D D.3.2
查看
单选
某R、L、C串联的线性电路激励信号为非正弦周期信号,若该电路对信号的三次谐波谐振,电路的五次谐波感抗X5L与5次谐波容抗XBC的关系是( )。
A A.X5L>X5C B B.X5L=X5C C C.X5L<X5C D D.不确定
查看
单选
如图所示,优先权编码器74148有8条输入线0~7,3条输出线A0~A2。当GS为0时编码器输出有效,E1为0时允许模块工作。请问当输入线6为0,其余输入线为1
A A.0、1、0 B B.0、0、1 C C.1、1、0 D D.1、0、1
查看
单选
电路如图所示,该电路为( )。
A A.积分电路 B B.微分电路 C C.比例积分电路 D D.比例微分电路
查看
刷题小程序
热门试卷
电气工程师《(供配电)专业基础》模拟卷1
电气工程师《(供配电)专业基础》模拟卷2
电气工程师《(供配电)专业基础》模拟卷3
电气工程师《(供配电)专业基础》模拟卷4
电气工程师《(发输变电)专业基础》模拟卷1
电气工程师《(发输变电)专业基础》模拟卷2
电气工程师《(发输变电)专业基础》模拟卷3
电气工程师《(发输变电)专业基础》模拟卷4
电气工程师《(发输变电)专业基础》模拟卷5
电气工程师《(发输变电)专业基础》模拟卷6
电气工程师《(发输变电)专业基础》预测卷1
电气工程师《(发输变电)专业基础》预测卷2
电气工程师《(发输变电)专业基础》预测卷3
电气工程师《(供配电)专业基础》预测卷1
电气工程师《(供配电)专业基础》预测卷2