首页
考研
最新考研题库
中外美术史23新版
建筑类
二级建造师
一级建造师
一级造价工程师
监理工程师
安全工程师
一级消防工程师
消防设施操作员
医学类
主治类
执业药师
护师(初级)资格证考试
主管护师(中级)资格证考试
护士资格证考试
医师类
中药学类
金融类
基金从业资格
银行从业资格
证券从业资格
期货从业资格
银行招聘考试
财会类
初级经济师
中级经济师
初级会计师
中级会计师
注册会计师
税务师
资产评估师
教师类
中学教师笔试
小学教师笔试
幼儿教师笔试
幼儿结构化面试
幼儿专业面试
中小学结构化面试
学历提升
成考(专升本)
成考(高起本、高起专)
自考
网校课程
登录
注册好礼
我的主页
我的提问
我的回答
退出
当前位置:
首页
>
电气工程师基础专业知识(基础考试)
>
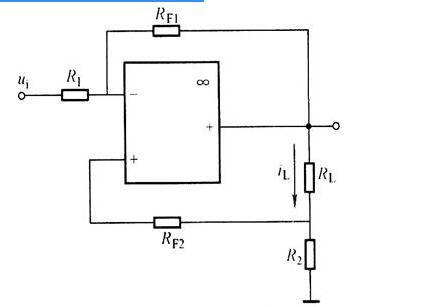
运算放大器电路如图所示,RL为负载电阻,则RF2引入的反馈为( )。
单选
运算放大器电路如图所示,RL为负载电阻,则RF2引入的反馈为( )。
A A.串联电流负反馈
B B.并联电流负反馈
C C.串联电压负反馈
D D.正反馈
正确答案
D
查看解析
搜索
相关试题
单选
图所示电路中,当R1增加时,电流I2将( )。
A A. 变大 B B. 变小 C C. 不变 D D. 不能确定
查看
单选
图示电路中,供出功率的电源是( )。
A A.理想电压源 B B.理想电流源 C C.理想电压源与理想电流源 D D.不能确定
查看
单选
某电源向一负载电阻RL供电(见图)。当负载电阻RL从100Ω减至10Ω,负载电压U约下降1%,则该电源是( )。
A A.理想电压源 B B.理想电流源 C C.含有内阻R0≈0.1Ω的电压源 D D.不能确定
查看
单选
与逐次渐进式ADC比较,双积分式ADC拥有的特点是( )。
A A.转换速度快,抗干扰能力强 B B.转换速度慢,抗干扰能力强 C C.转换速度高,抗干扰能力差 D D.转换速度低,抗干扰能力差
查看
单选
发电机额定电压为( )V。
A A.360 B B.380 C C.400 D D.420
查看
单选
变压器中性点接地称为( )。
A A.工作接地 B B.保护接地 C C.工作接零 D D.保护接零
查看
单选
应校验热稳定以及动稳定的是( )。
A A.装设在电流互感器回路中的裸导体和电器 B B.装设在电压互感器回路中的裸导体和电器 C C.用熔断器保护的电器 D D.电缆
查看
单选
单选题 在图所示电容电路中,电压与电流的正确关系式应是( )。
A A B B C C D D E E
查看
单选
如相量图(见图)所示的正弦电压施加于感抗XL=5Ω的电感元件上,则通过该元件的电流相量=( )A。
A A.5∠-60° B B.50∠120° C C.2∠-60° D D.2∠60°
查看
单选
在电感与电容并联的正弦交流电路中,当XC>XL时,电路呈现为( )。
A A.电感性 B B.电容性 C C.电阻性 D D.不可确定属性
查看
刷题小程序
热门试卷
电气工程师《(供配电)专业基础》模拟卷1
电气工程师《(供配电)专业基础》模拟卷2
电气工程师《(供配电)专业基础》模拟卷3
电气工程师《(供配电)专业基础》模拟卷4
电气工程师《(发输变电)专业基础》模拟卷1
电气工程师《(发输变电)专业基础》模拟卷2
电气工程师《(发输变电)专业基础》模拟卷3
电气工程师《(发输变电)专业基础》模拟卷4
电气工程师《(发输变电)专业基础》模拟卷5
电气工程师《(发输变电)专业基础》模拟卷6
电气工程师《(发输变电)专业基础》预测卷1
电气工程师《(发输变电)专业基础》预测卷2
电气工程师《(发输变电)专业基础》预测卷3
电气工程师《(供配电)专业基础》预测卷1
电气工程师《(供配电)专业基础》预测卷2