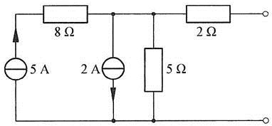
单选

图所示电路的戴维南等效电路参数uS应为下列哪项数值?(  )

A A.35V
B B.15V
C C.3V
D D.9V

正确答案
B
查看解析

相关试题

单选
图所示电路中的电压为( )。
A A.49V B B.-49V C C.29V D D.-29V
查看
单选
如图所示,电阻R的值为( )。
A A.16Ω B B.8Ω C C.4Ω D D.2Ω
查看
单选
图中电路的输入电阻Rln为( )。
A A.-11Ω B B.11Ω C C.-12Ω D D.12Ω
查看
单选
列写节点方程时,如图所示部分电路中B点的自导为( )。
A A.7S B B.-14S C C.5S D D.4S
查看
单选
由电阻R=100Ω和电容C=100μF组成串联电路,已知电源电压为,那么该电路的电流is(t)为( )。
A A.<img border="0" alt="" src="https://tuku.weimei168.com/uploads/upimg/20251103/24214244_0_1.png"> B B.<img border="0" alt="" src="https://tuku.weimei168.com/uploads/upimg/20251103/24214244_0_2.png"> C C.cos(100t-45°)A D D.cos(100t+45°)A
查看
单选
如图所示正弦交流电路中,已知,R=10Ω,XL=20Ω,XC=30Ω。当负载ZL为( )时,它将获得最大功率。
A A.(8+j21)Ω B B.(8-j21)Ω C C.(8+j26)Ω D D.(8-j26)Ω
查看
单选
在图示正弦稳态电路中,若,则ZL消耗的平均功率P为( )。
A A.80W B B.85W C C.90W D D.100W
查看
单选
一个线圈的电阻R=60Ω,电感L=0.2H,若通过3A的直流电时,线圈的压降为( )。
A A.60V B B.120V C C.180V D D.240V
查看
单选
如图所示对称三相电路,线电压为380V,每相阻抗Z=(18+j24)Ω,则图中功率表读数为( )。
A A.5134W B B.1004W C C.1772W D D.7667W
查看
单选
对称星形负载接于三相四线制电源上,如图所示。若电源线电压为380V,当在D点断开时,U1为( )V。
A A.220 B B.380 C C.190 D D.110
查看
刷题小程序
电气工程师基础专业知识(基础考试)题库小程序