首页
考研
最新考研题库
中外美术史23新版
建筑类
二级建造师
一级建造师
一级造价工程师
监理工程师
安全工程师
一级消防工程师
消防设施操作员
医学类
主治类
执业药师
护师(初级)资格证考试
主管护师(中级)资格证考试
护士资格证考试
医师类
中药学类
金融类
基金从业资格
银行从业资格
证券从业资格
期货从业资格
银行招聘考试
财会类
初级经济师
中级经济师
初级会计师
中级会计师
注册会计师
税务师
资产评估师
教师类
中学教师笔试
小学教师笔试
幼儿教师笔试
幼儿结构化面试
幼儿专业面试
中小学结构化面试
学历提升
成考(专升本)
成考(高起本、高起专)
自考
网校课程
登录
注册好礼
我的主页
我的提问
我的回答
退出
当前位置:
首页
>
电气工程师基础专业知识(基础考试)
>
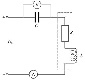
利用如图所示的电路可以测量线圈的R、L值。电源电压Us=80V,调节电路的角频率为ω=10rad/s,得到电容的电压Uc
单选
利用如图所示的电路可以测量线圈的R、L值。电源电压Us=80V,调节电路的角频率为ω=10rad/s,得到电容的电压Uc=60V、线圈两端的电压URL=100V、回路电流为2A。则R、L的值分别为( )。
A 0Ω、1H
B 40Ω、3H
C 50Ω、1H
D 50Ω、3H
正确答案
B
查看解析
搜索
相关试题
单选
在如图所示的电阻电路中,等效电阻R12值为( )。
A 5Ω B 7Ω C 10Ω D 12.6Ω
查看
单选
在如图所示电路中,电流I的值为( )。
A 8A B 5.5A C 3A D 1.5A
查看
单选
下列说法不正确的是( )。
A 集电极开路的门称为OC门 B 三态门输出端有可能出现三种状态(高组态、高电平、低电平) C OC门输出端直接连接可实现正逻辑的线或运算 D 利用三态门电路可实现双向传输
查看
单选
在0.4kV低压侧进行无功补偿时,电容器装置的开关设备和导线长期允许通过电流不应小于电容器额定电流的( )。
A 1.5倍 B 1.3倍 C 1.2倍 D 1.1倍
查看
单选
一台变压器的高压绕组由两个完全相同的可以串联也可以并联的绕组组成,当它们并联施以10kV、50Hz电压时,其空载电流为20A,空载损耗16kW。如果将它们改为串
A 40A、32kW B 15A、16kW C 20A、8kW D 5A、4kW
查看
单选
下列造成短路原因中,属于人为原因的是( )。
A 鸟兽跨接在裸露的载流部分 B 运行人员带负荷拉刀闸 C 雷电造成避雷器动作 D 大风引起架空线电杆倒塌
查看
单选
变压器的其他条件不变时,电源频率减少15%,假设磁路不饱和,则一次绕组漏电抗x1和二次绕组漏电抗x2会( )。
A 增加10% B 不变 C 减少15% D 减少20%
查看
单选
在如图所示电路中,电压源和电流源发出的功率分别为( )。
A -30W、125W B 30W、125W C -75W、75W D 75W、75W
查看
单选
在如图所示电路中,US和5Ω电阻两端的电压分别为( )。
A 20V、-10V B 30V、-40V C 10V、-20V D 40V、-30V
查看
单选
在如图所示的电路中,ab端接上一个电阻负载可获得最大功率,则该电阻的阻值和最大功率分别为( )。
A 7.5Ω、10.8W B 15Ω、9.6W C 25Ω、3.24W D 30Ω、2.7W
查看
刷题小程序
热门试卷
2017年电气工程师《(供配电)专业基础》真题卷
2018年电气工程师《(供配电)专业基础》真题卷
2019年电气工程师《(供配电)专业基础》真题卷
2020年电气工程师《(供配电)专业基础》真题卷
2021年电气工程师《(供配电)专业基础》真题卷
2022年电气工程师《(供配电)专业基础》真题卷
2023年电气工程师《(供配电)专业基础》真题卷
2024年电气工程师《(供配电)专业基础》真题卷
2017年电气工程师《(发输变电)专业基础》真题
2018年电气工程师《(发输变电)专业基础》真题
2019年电气工程师《(发输变电)专业基础》真题
2020年电气工程师《(发输变电)专业基础》真题
2021年电气工程师《(发输变电)专业基础》真题
2022年电气工程师《(发输变电)专业基础》真题
2023年电气工程师《(发输变电)专业基础》真题