单选

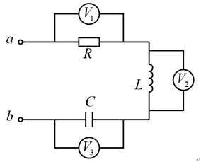
如图,V1=15V,V2=80V,V3=100V,电路ab端电压有效值是( )。

A 195V
B 25V
C 20V
D 95V

正确答案
B
查看解析

相关试题

单选
电路如图所示,其输入电阻是( )。
A 8Ω B 13Ω C 3Ω D 不能简化等效
查看
单选
如图,受控电流源两端的电压U是( )。
A 1V B -1V C -4V D 4V
查看
单选
初始电流不等于零的电感元件,在换路t=0+时,电感元件相当于( )。
A 开路 B 短路 C 理想电压源 D 理想电流源
查看
单选
如图,支路电流I等于( )。
A 1A B 5/3A C -1/3A D 4/3A
查看
单选
点电荷系的电场中某点的电势,等于各个电荷单独在该点产生电势的代数和,该原理称为( )。
A 电荷叠加原理 B 电场叠加原理 C 电势叠加原理 D 电流叠加原理
查看
单选
在电力系统分析和计算中,功率和阻抗一般是指( )。
A 单相功率,单相等效阻抗 B 单相功率,三相等效阻抗 C 三相功率,单相等效阻抗 D 三相功率,三相等效阻抗
查看
单选
在我国大容量电力系统中,属于交流电周期正常值的是( )。
A 0.0167s B 0.0195s C 0.0201s D 0.157s
查看
单选
若外加电压随时间正弦变化,当磁路饱和时,单相变压器的励磁磁动势随时间变化的波形是( )。
A 平顶波 B 尖顶波 C 矩形波 D 正弦波
查看
单选
如图所示的射极输出器中:已知R=50Ω,RB1=100kΩ,RB2=30kΩ,RE=2kΩ,晶体管的β=50,rbc=1Ω,则放大电路的Au、ri和ro,分别是
A Au=98,ri=1.6kΩ,ro=2kΩ B Au=0.98,ri=160kΩ,ro=21Ω C Au=-0.98,ri=1kΩ,ro=2kΩ D Au=0.98,ri=16kΩ,ro=21Ω
查看
单选
如图所示,已知RL=80Ω,直流电压表V0读数为110V。试求: (1)直流电流表A的读数(I0); (2)交流电压表V1的读数(U1); (3)整流电流的最大
A I0=13.8A,U1=24.44V,I0max=4.33A,URM=34.58V B I0=1.38A,U1=24.44V,I0max=43.3A,URM=345.58V C I0=1.38A,U1=244.4V,I0max=4.33A,URM=345.58V D I0=0.138A,U1=244.4V,I0max=43.3A,URM=34.558V
查看
刷题小程序
电气工程师基础专业知识(基础考试)题库小程序