首页
考研
最新考研题库
中外美术史23新版
建筑类
二级建造师
一级建造师
一级造价工程师
监理工程师
安全工程师
一级消防工程师
消防设施操作员
医学类
主治类
执业药师
护师(初级)资格证考试
主管护师(中级)资格证考试
护士资格证考试
医师类
中药学类
金融类
基金从业资格
银行从业资格
证券从业资格
期货从业资格
银行招聘考试
财会类
初级经济师
中级经济师
初级会计师
中级会计师
注册会计师
税务师
资产评估师
教师类
中学教师笔试
小学教师笔试
幼儿教师笔试
幼儿结构化面试
幼儿专业面试
中小学结构化面试
学历提升
成考(专升本)
成考(高起本、高起专)
自考
网校课程
登录
注册好礼
我的主页
我的提问
我的回答
退出
当前位置:
首页
>
电气工程师基础专业知识(基础考试)
>
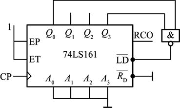
如图所示,74LS161同步进制计数器为( )。
单选
如图所示,74LS161同步进制计数器为( )。
A 十六进制加法计数
B 十二进制加法计数
C 十进制加法计数
D 九进制加法计数
正确答案
C
查看解析
搜索
相关试题
单选
基尔霍夫电流定律适用于( )。
A 节点 B 支路 C 网孔 D 回路
查看
单选
一阶电路的时间常数只与电路元件有关的是( )。
A 电阻和动态元件 B 电阻和电容 C 电阻和电感 D 电感和电容
查看
单选
有一圆形气球,电荷均匀分布在其表面,在此气球被缓缓吹大的过程中,始终处于球外两点,则其电场强度为( )。
A 变大 B 变小 C 不变 D 无法判断
查看
单选
磁路中的磁动势对应电路中的电动势,磁路中的什么对应电路中的电流?( )
A 磁通 B 磁场 C 磁势 D 磁流
查看
单选
为了将正弦信号转换成与之频率相同的脉冲信号,可采用( )。
A 多谐振荡器 B 施密特触发器 C 移位寄存器 D 顺序脉冲发电器
查看
单选
下列哪个电网电压系统中性点不接地?( )
A 35kV B 220kV C 110kV D 500kV
查看
单选
同步发电机稳态运行时,若所带负载为感性,cosφ=0.8,则其电枢反应的性质为( )。
A 交轴电枢反应 B 直轴去磁电枢反应 C 直轴去磁与交轴电枢反应 D 直轴增磁与交轴电枢反应
查看
单选
下列短路类型中属于对称短路的是( )。
A 单相短路 B 两相短路 C 三相短路 D 以上都不是
查看
单选
在3~20kV电网中,为了测量相对地电压通常采用( )。
A 三相五柱式电压互感器 B 三相三柱式电压互感器 C 两台单相电压互感器接成不完全屋形连接 D 三台单相电压互感器接成YY连接
查看
单选
在变电站设计中,校验电器的热稳定一般宜采用( )。
A 主保护动作时间 B 主保护动作时间加相应断路器的开断时间 C 后备保护动作时间 D 后备保护动作时间加相应断路器的开断时间
查看
刷题小程序
热门试卷
2017年电气工程师《(供配电)专业基础》真题卷
2018年电气工程师《(供配电)专业基础》真题卷
2019年电气工程师《(供配电)专业基础》真题卷
2020年电气工程师《(供配电)专业基础》真题卷
2021年电气工程师《(供配电)专业基础》真题卷
2022年电气工程师《(供配电)专业基础》真题卷
2023年电气工程师《(供配电)专业基础》真题卷
2024年电气工程师《(供配电)专业基础》真题卷
2017年电气工程师《(发输变电)专业基础》真题
2018年电气工程师《(发输变电)专业基础》真题
2019年电气工程师《(发输变电)专业基础》真题
2020年电气工程师《(发输变电)专业基础》真题
2021年电气工程师《(发输变电)专业基础》真题
2022年电气工程师《(发输变电)专业基础》真题
2023年电气工程师《(发输变电)专业基础》真题