首页
考研
最新考研题库
中外美术史23新版
建筑类
二级建造师
一级建造师
一级造价工程师
监理工程师
安全工程师
一级消防工程师
消防设施操作员
医学类
主治类
执业药师
护师(初级)资格证考试
主管护师(中级)资格证考试
护士资格证考试
医师类
中药学类
金融类
基金从业资格
银行从业资格
证券从业资格
期货从业资格
银行招聘考试
财会类
初级经济师
中级经济师
初级会计师
中级会计师
注册会计师
税务师
资产评估师
教师类
中学教师笔试
小学教师笔试
幼儿教师笔试
幼儿结构化面试
幼儿专业面试
中小学结构化面试
学历提升
成考(专升本)
成考(高起本、高起专)
自考
网校课程
登录
注册好礼
我的主页
我的提问
我的回答
退出
当前位置:
首页
>
电气工程师基础专业知识(基础考试)
>
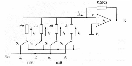
如图所示电路,权电阻网络D/A转换器中,若取VREF=5V,则当输入数字量为d3d2d1d0=1101时,输出电压为(
单选
如图所示电路,权电阻网络D/A转换器中,若取VREF=5V,则当输入数字量为d3d2d1d0=1101时,输出电压为( )。
A A.-4.0625V
B B.-0.8125V
C C.4.0625V
D D.0.8125V
正确答案
A
查看解析
搜索
相关试题
单选
电路如图所示,端口ab输入电阻是( )。
A A.2Ω B B.4Ω C C.6Ω D D.8Ω
查看
单选
如图所示,若改变RL可使其获得最大功率,则RL获得的最大功率是( )。
A A.0.05W B B.0.1W C C.0.5W D D.0.025W E
查看
单选
对含有受控源的支路进行电源等效变换时,应注意不要消去( )。
A A.电压源 B B.控制量 C C.电流源 D D.电阻
查看
单选
电路如图所示,电路中电流I等于( )。
A A.-1A B B.1A C C.4A D D.-4A
查看
单选
单选题 电路如图所示,支路电流和分别为( )。
A A B B C C D D E E
查看
单选
三相负载做星形连接,接入对称的三相电源,负载线电压与相电压关系满足成立的条件是三相负载( )。
A A.对称 B B.都是电阻 C C.都是电感 D D.都是电容
查看
单选
电路如图所示,U=10+20cosωt,已知RL=ωL=5Ω,则电路的功率是( )。
A A.20W B B.40W C C.80W D D.10W
查看
单选
某一电路发生突变,如开关突然通断,参数的突然变化以及其突发意外事故或干扰统称为( )。
A A.短路 B B.断路 C C.换路 D D.通路
查看
单选
单选题 图所示电路中,开关S在t=0时打开,在t≥0+后电容电压UC(t)为( )。
A A B B C C D D E E
查看
单选
一般用来描述电磁辐射的参数是( )。
A A.幅值 B B.频率 C C.功率 D D.能量
查看
刷题小程序
热门试卷
2017年电气工程师《(供配电)专业基础》真题卷
2018年电气工程师《(供配电)专业基础》真题卷
2019年电气工程师《(供配电)专业基础》真题卷
2020年电气工程师《(供配电)专业基础》真题卷
2021年电气工程师《(供配电)专业基础》真题卷
2022年电气工程师《(供配电)专业基础》真题卷
2023年电气工程师《(供配电)专业基础》真题卷
2024年电气工程师《(供配电)专业基础》真题卷
2017年电气工程师《(发输变电)专业基础》真题
2018年电气工程师《(发输变电)专业基础》真题
2019年电气工程师《(发输变电)专业基础》真题
2020年电气工程师《(发输变电)专业基础》真题
2021年电气工程师《(发输变电)专业基础》真题
2022年电气工程师《(发输变电)专业基础》真题
2023年电气工程师《(发输变电)专业基础》真题