首页
考研
最新考研题库
中外美术史23新版
建筑类
二级建造师
一级建造师
一级造价工程师
监理工程师
安全工程师
一级消防工程师
消防设施操作员
医学类
主治类
执业药师
护师(初级)资格证考试
主管护师(中级)资格证考试
护士资格证考试
医师类
中药学类
金融类
基金从业资格
银行从业资格
证券从业资格
期货从业资格
银行招聘考试
财会类
初级经济师
中级经济师
初级会计师
中级会计师
注册会计师
税务师
资产评估师
教师类
中学教师笔试
小学教师笔试
幼儿教师笔试
幼儿结构化面试
幼儿专业面试
中小学结构化面试
学历提升
成考(专升本)
成考(高起本、高起专)
自考
网校课程
登录
注册好礼
我的主页
我的提问
我的回答
退出
当前位置:
首页
>
电气工程师基础专业知识(基础考试)
>
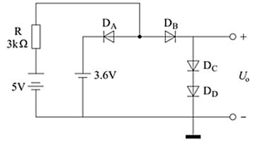
如图所示,设二极管的正向压降均为0.7V,则输出电压Uo是( )。
单选
如图所示,设二极管的正向压降均为0.7V,则输出电压Uo是( )。
A 4.3V
B 3.6V
C 1.4V
D 5V
正确答案
C
查看解析
搜索
相关试题
单选
电路如图所示,开路电压Uab为( )。
A -6V B 6V C -10V D 10V
查看
单选
如图电路中,ab端的等效电阻Rab为( )。
A 3.5Ω B 5Ω C 7.5Ω D 18Ω
查看
单选
若CMOS反相器的VDD增加,则以下说法错误的是( )。
A 输入低电平的噪声容限不变 B 输入高电平的噪声容限增加 C 反相器阈值电压增加 D 反相器的传输延迟时间不变
查看
单选
电力变压器的损耗与负载的关系为( )。
A 负载越大,损耗越大 B 负载越大,损耗越小 C 额定负载时损耗达到最大值 D 损耗与负载没有关系
查看
单选
电力网络的潮流调整控制时,串联电抗的作用是( )。
A 平衡有功功率 B 无功补偿 C 限流 D 降低电压
查看
单选
直流电动机电源并联电阻的作用是( )。
A 电动机制动 B 减小损耗 C 增大转矩 D 增加转速
查看
单选
在如图所示电路中,电压U的值为( )。
A 50V B -50V C 2V D -2V
查看
单选
在如图所示电路中,受控源发出的功率为( )。
A 16W B -16W C 32W D -32W
查看
单选
如图电路中,U的值为( )。
A 2V B 4V C 8V D 16V
查看
单选
如图电路中,2.5Ω电阻中所获的最大功率为( )。
A 0.5W B 2.5W C 5W D 10W
查看
刷题小程序
热门试卷
2017年电气工程师《(供配电)专业基础》真题卷
2018年电气工程师《(供配电)专业基础》真题卷
2019年电气工程师《(供配电)专业基础》真题卷
2020年电气工程师《(供配电)专业基础》真题卷
2021年电气工程师《(供配电)专业基础》真题卷
2022年电气工程师《(供配电)专业基础》真题卷
2023年电气工程师《(供配电)专业基础》真题卷
2024年电气工程师《(供配电)专业基础》真题卷
2017年电气工程师《(发输变电)专业基础》真题
2018年电气工程师《(发输变电)专业基础》真题
2019年电气工程师《(发输变电)专业基础》真题
2020年电气工程师《(发输变电)专业基础》真题
2021年电气工程师《(发输变电)专业基础》真题
2022年电气工程师《(发输变电)专业基础》真题
2023年电气工程师《(发输变电)专业基础》真题