首页
考研
最新考研题库
中外美术史23新版
建筑类
二级建造师
一级建造师
一级造价工程师
监理工程师
安全工程师
一级消防工程师
消防设施操作员
医学类
主治类
执业药师
护师(初级)资格证考试
主管护师(中级)资格证考试
护士资格证考试
医师类
中药学类
金融类
基金从业资格
银行从业资格
证券从业资格
期货从业资格
银行招聘考试
财会类
初级经济师
中级经济师
初级会计师
中级会计师
注册会计师
税务师
资产评估师
教师类
中学教师笔试
小学教师笔试
幼儿教师笔试
幼儿结构化面试
幼儿专业面试
中小学结构化面试
学历提升
成考(专升本)
成考(高起本、高起专)
自考
网校课程
登录
注册好礼
我的主页
我的提问
我的回答
退出
当前位置:
首页
>
电气工程师基础专业知识(基础考试)
>
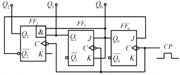
已知计数器电路如图所示,设三个触发器的初始状态为“000”,则该电路是( )。
单选
已知计数器电路如图所示,设三个触发器的初始状态为“000”,则该电路是( )。
A 同步五进制加法计数器
B 同步六进制加法计数器
C 同步七进制加法计数器
D 同步八进制加法计数器
正确答案
A
查看解析
搜索
相关试题
单选
如果系统中的N线与PE线全部分开,则此系统称为( )。
A TN-C B TN-S C TN-C-S D TT
查看
单选
平均额定电压的应用场合为( )。
A 发电机 B 变压器 C 受供电设备 D 线路
查看
单选
交流电机的极数为12,在一相绕组中通入正弦交流电流,产生基波和三次谐波电动势,则三次谐波电动势和基波电动势之比为( )。
A 3∶1 B 1∶1 C 1∶3 D 不确定
查看
单选
理想同步发电机ABC坐标系下,定子绕组间的互感系数的变化周期为( )。
A 0.5π B π C 2π D 3π
查看
单选
同步发电机三相突然短路时,定子次暂态分量短路电流的衰减是由于( )。
A 阻尼绕组有电阻 B 励磁绕组有电阻 C 电枢绕组有电阻 D 励磁和电枢绕组电阻共同作用
查看
单选
重复接地装置中,垂直埋设的接地体,距离外墙不小于( )。
A 0.6m B 0.7m C 3m D 5m
查看
单选
熔断器RTO-400中的400表示( )。
A 额定电压 B 熔体额定电流 C 熔管额定电流 D 最大分断电流
查看
单选
只装一台主变压器的小型变电站,如果负荷为二级,则高压侧采用的主接线形式是( )。
A 隔离开关-熔断器 B 负荷开关 C 隔离开关-断路器 D 断路器
查看
单选
在中性点经消弧线圈接地系统中一般采用( )。
A 欠补偿 B 过补偿 C 全补偿 D 无补偿
查看
单选
如图所示,电路为含源一端口网络,假设该一端口可等效为一个理想电压源,则α为( )。
A -1 B 1 C -3 D 3
查看
刷题小程序
热门试卷
2017年电气工程师《(供配电)专业基础》真题卷
2018年电气工程师《(供配电)专业基础》真题卷
2019年电气工程师《(供配电)专业基础》真题卷
2020年电气工程师《(供配电)专业基础》真题卷
2021年电气工程师《(供配电)专业基础》真题卷
2022年电气工程师《(供配电)专业基础》真题卷
2023年电气工程师《(供配电)专业基础》真题卷
2024年电气工程师《(供配电)专业基础》真题卷
2017年电气工程师《(发输变电)专业基础》真题
2018年电气工程师《(发输变电)专业基础》真题
2019年电气工程师《(发输变电)专业基础》真题
2020年电气工程师《(发输变电)专业基础》真题
2021年电气工程师《(发输变电)专业基础》真题
2022年电气工程师《(发输变电)专业基础》真题
2023年电气工程师《(发输变电)专业基础》真题