首页
考研
最新考研题库
中外美术史23新版
建筑类
二级建造师
一级建造师
一级造价工程师
监理工程师
安全工程师
一级消防工程师
消防设施操作员
医学类
主治类
执业药师
护师(初级)资格证考试
主管护师(中级)资格证考试
护士资格证考试
医师类
中药学类
金融类
基金从业资格
银行从业资格
证券从业资格
期货从业资格
银行招聘考试
财会类
初级经济师
中级经济师
初级会计师
中级会计师
注册会计师
税务师
资产评估师
教师类
中学教师笔试
小学教师笔试
幼儿教师笔试
幼儿结构化面试
幼儿专业面试
中小学结构化面试
学历提升
成考(专升本)
成考(高起本、高起专)
自考
网校课程
登录
注册好礼
我的主页
我的提问
我的回答
退出
当前位置:
首页
>
电气工程师基础专业知识(基础考试)
>
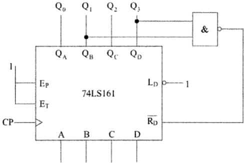
图示电路实现的逻辑功能是( )。
单选
图示电路实现的逻辑功能是( )。
A 十二进制计数器
B 十进制计数器
C 十五进制计数器
D 九进制计数器
正确答案
B
查看解析
搜索
相关试题
单选
RL=10Ω,RL获得的最大功率Pmax时的电阻RS是( )。
A RS=1Ω B RS=0Ω C RS=5Ω D RS=∞
查看
单选
在求戴维南等效电阻时,电压源和电流源分别视为( )。
A 短路,开路 B 开路,短路 C 开路,开路 D 短路,短路
查看
单选
电路如图所示,20Ω电阻的电压U为( )。
A -20V B +20V C -10V D +10V
查看
单选
电路如图所示,其3A电流源两端的电压为( )。
A 0V B 6V C 3V D 7V
查看
单选
电路如图所示,当开关S闭合后,电流表的读数将( )。
A 减少 B 增大 C 不变 D 不确定
查看
单选
电路如图所示,已知端口电压为u=20cos(100t)V,电流为i=4cos(100t+90°)A,则该端口的性质是( )。
A 纯电阻 B 电容性 C 电感性 D 阻感性
查看
单选
有关电压互感器的校验,正确的是( )。
A 只校验热稳定,不校验动稳定 B 只校验动稳定,不校验热稳定 C 不需校验动稳定和热稳定 D 热稳定和动稳定都要校验
查看
单选
发动机主磁极数为2,电网频率f=60Hz,则转速为( )。
A 1500r/min B 1800r/min C 3000r/min D 3600r/min
查看
单选
三相异步电动机等效电路中等效电阻R2上消耗电功率为( )。
A 气隙功率 B 转子损耗 C 电磁功率 D 总机械功率
查看
单选
电流互感器一次侧端子标注为P1、P2,二次侧端子标注为S1、S2,则正确接线应为( )。
A 一次侧电流从P1流向P2,二次侧电流从S1流向S2 B 一次侧电流从P1流向P2,二次侧电流从S2流向S1 C 一次测电流从P2流向P1,二次侧电流从S1流向S2 D 一次侧电流从P2流向P1,二次侧电流从S2流向S1
查看
刷题小程序
热门试卷
2017年电气工程师《(供配电)专业基础》真题卷
2018年电气工程师《(供配电)专业基础》真题卷
2019年电气工程师《(供配电)专业基础》真题卷
2020年电气工程师《(供配电)专业基础》真题卷
2021年电气工程师《(供配电)专业基础》真题卷
2022年电气工程师《(供配电)专业基础》真题卷
2023年电气工程师《(供配电)专业基础》真题卷
2024年电气工程师《(供配电)专业基础》真题卷
2017年电气工程师《(发输变电)专业基础》真题
2018年电气工程师《(发输变电)专业基础》真题
2019年电气工程师《(发输变电)专业基础》真题
2020年电气工程师《(发输变电)专业基础》真题
2021年电气工程师《(发输变电)专业基础》真题
2022年电气工程师《(发输变电)专业基础》真题
2023年电气工程师《(发输变电)专业基础》真题