首页
考研
最新考研题库
中外美术史23新版
建筑类
二级建造师
一级建造师
一级造价工程师
监理工程师
安全工程师
一级消防工程师
消防设施操作员
医学类
主治类
执业药师
护师(初级)资格证考试
主管护师(中级)资格证考试
护士资格证考试
医师类
中药学类
金融类
基金从业资格
银行从业资格
证券从业资格
期货从业资格
银行招聘考试
财会类
初级经济师
中级经济师
初级会计师
中级会计师
注册会计师
税务师
资产评估师
教师类
中学教师笔试
小学教师笔试
幼儿教师笔试
幼儿结构化面试
幼儿专业面试
中小学结构化面试
学历提升
成考(专升本)
成考(高起本、高起专)
自考
网校课程
登录
注册好礼
我的主页
我的提问
我的回答
退出
当前位置:
首页
>
电气工程师基础专业知识(基础考试)
>
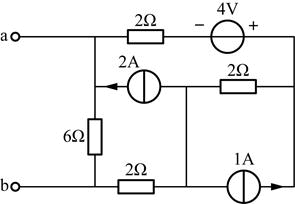
电路如图所示,其ab端的开路电压和等效电阻分别是( )。
单选
电路如图所示,其ab端的开路电压和等效电阻分别是( )。
A 3V,3Ω
B -3V,3Ω
C 6V,6Ω
D -6V,6Ω
正确答案
A
查看解析
搜索
相关试题
单选
根据相关概念判断下列电路中可能发生谐振的是( )。
A 纯电阻电路 B RL电路 C RC电路 D RLC电路
查看
单选
在时变电磁场中,场量和场源除了是时间的函数,还是( )的函数。
A 角坐标的函数 B 空间坐标的函数 C 极坐标的函数 D 正交坐标的函数
查看
单选
一般衡量电磁波用的物理量是( )。
A 幅值 B 频率 C 率 D 能量
查看
单选
均匀平面波垂直入射至导电媒质中,在传播过程中下列说法正确的是( )。
A 空间各点电磁场振幅不变 B 不再是均匀平面波 C 电场和磁场不同相 D 电场和磁场同相
查看
单选
下面关于电流密度的描述正确的是( )。
A 电流密度的大小为单位时间通过任意截面积的电荷量 B 电流密度的大小为单位时间垂直穿过单位面积的电荷量,方向为负电荷运动的方向 C 电流密度的大小为单位时间穿过单位面积的电荷量,方向为正电荷运动的方向 D 电流密度的大小为单位时间垂直穿过单位面积的电荷量,方向为正电荷运动的方向
查看
单选
下面物质能被磁体吸引的是( )。
A 银 B 铅 C 水 D 铁
查看
单选
已知放大电路中某晶体管三个极的电位分别为VE=-1.7V,VB=-1.4V,VC=5V,则该管类型为( )。
A NPN型硅管 B NPN型锗管 C PNP型硅管 D PNP型锗管
查看
单选
集成译码器74LS138在译码状态时,其输出端的有效电平个数是( )。
A 1 B 2 C 4 D 8
查看
单选
装有两台主变压器的小型变电所,关于低压侧采用单母线分段的主接线的说法正确的是( )。
A 为了满足负荷的供电灵敏性要求 B 为了满足负荷的供电可靠性要求 C 为了满足负荷的供电经济性要求 D 为了满足负荷的供电安全性要求
查看
单选
电压互感器采用V/V型接线方式,所测量的电压值为( )。
A 一个线电压 B 一个相电压 C 两个线电压 D 两个相电压
查看
刷题小程序
热门试卷
2017年电气工程师《(供配电)专业基础》真题卷
2018年电气工程师《(供配电)专业基础》真题卷
2019年电气工程师《(供配电)专业基础》真题卷
2020年电气工程师《(供配电)专业基础》真题卷
2021年电气工程师《(供配电)专业基础》真题卷
2022年电气工程师《(供配电)专业基础》真题卷
2023年电气工程师《(供配电)专业基础》真题卷
2024年电气工程师《(供配电)专业基础》真题卷
2017年电气工程师《(发输变电)专业基础》真题
2018年电气工程师《(发输变电)专业基础》真题
2019年电气工程师《(发输变电)专业基础》真题
2020年电气工程师《(发输变电)专业基础》真题
2021年电气工程师《(发输变电)专业基础》真题
2022年电气工程师《(发输变电)专业基础》真题
2023年电气工程师《(发输变电)专业基础》真题