首页
考研
最新考研题库
中外美术史23新版
建筑类
二级建造师
一级建造师
一级造价工程师
监理工程师
安全工程师
一级消防工程师
消防设施操作员
医学类
主治类
执业药师
护师(初级)资格证考试
主管护师(中级)资格证考试
护士资格证考试
医师类
中药学类
金融类
基金从业资格
银行从业资格
证券从业资格
期货从业资格
银行招聘考试
财会类
初级经济师
中级经济师
初级会计师
中级会计师
注册会计师
税务师
资产评估师
教师类
中学教师笔试
小学教师笔试
幼儿教师笔试
幼儿结构化面试
幼儿专业面试
中小学结构化面试
学历提升
成考(专升本)
成考(高起本、高起专)
自考
网校课程
登录
注册好礼
我的主页
我的提问
我的回答
退出
当前位置:
首页
>
电气工程师基础专业知识(基础考试)
>
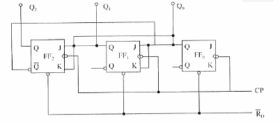
图所示逻辑电路,设触发器的初始状态均为“0”。当RD=1时,该电路的逻辑功能为( )。
单选
图所示逻辑电路,设触发器的初始状态均为“0”。当RD=1时,该电路的逻辑功能为( )。
A A.同步八进制加法计数器
B B.同步八进制减法计数器
C C.同步六进制加法计数器
D D.同步六进制减法计数器
正确答案
C
查看解析
搜索
相关试题
单选
电源与负载均为星形连接的对称三相电路中,电源连接不变,负载改为三角形连接,则负载的电流有效值( )。
A A.增大 B B.减小 C C.不变 D D.时大时小
查看
单选
在线性电路中,下列说法错误的是( )。
A A.电流可以叠加 B B.电压可以叠加 C C.功率可以叠加 D D.电流和电压都可以叠加
查看
单选
电路如图所示,受控电源是( )。
A A.24W B B.48W C C.72W D D.96W
查看
单选
某线性电阻元件的电压为3V,电流为0.5A。当其电压改变为6V时,则其电阻为( )。
A A.2Ω B B.4Ω C C.6Ω D D.8Ω
查看
单选
在直流RC电路换路过程中,电容的( )。
A A.电压不能突变 B B.电压可以突变 C C.电流不能突变 D D.电压为零
查看
单选
A A.4Ω,2V B B.4Ω,6V C C.7Ω,-2V D D.7Ω,2V
查看
单选
用戴维南定理求图所示电路的I·时,其开路电压U·oc和等效阻抗Z分别是( )。
A A.(6-j12)V,-j6Ω B B.(6+j12)V,-j6Ω C C.(6-j12)V,j6Ω D D.(6+j12)V,j6Ω
查看
单选
RLC串联电路中, 的特点是( )。
A A.非振荡衰减过程,过阻尼 B B.振荡衰减过程,欠阻尼 C C.临界非振荡过程,临界阻尼 D D.无振荡衰减过程,无阻尼
查看
单选
电路如图所示,其端口ab的输入电阻是( )。
A A.-30Ω B B.30Ω C C.-15Ω D D.15Ω
查看
单选
电力线的方向是指向( )。
A A.电位增加的方向 B B.电位减小的方向 C C.电位相等的方向 D D.和电位无关
查看
刷题小程序
热门试卷
2017年电气工程师《(供配电)专业基础》真题卷
2018年电气工程师《(供配电)专业基础》真题卷
2019年电气工程师《(供配电)专业基础》真题卷
2020年电气工程师《(供配电)专业基础》真题卷
2021年电气工程师《(供配电)专业基础》真题卷
2022年电气工程师《(供配电)专业基础》真题卷
2023年电气工程师《(供配电)专业基础》真题卷
2024年电气工程师《(供配电)专业基础》真题卷
2017年电气工程师《(发输变电)专业基础》真题
2018年电气工程师《(发输变电)专业基础》真题
2019年电气工程师《(发输变电)专业基础》真题
2020年电气工程师《(发输变电)专业基础》真题
2021年电气工程师《(发输变电)专业基础》真题
2022年电气工程师《(发输变电)专业基础》真题
2023年电气工程师《(发输变电)专业基础》真题