首页
考研
最新考研题库
中外美术史23新版
建筑类
二级建造师
一级建造师
一级造价工程师
监理工程师
安全工程师
一级消防工程师
消防设施操作员
医学类
主治类
执业药师
护师(初级)资格证考试
主管护师(中级)资格证考试
护士资格证考试
医师类
中药学类
金融类
基金从业资格
银行从业资格
证券从业资格
期货从业资格
银行招聘考试
财会类
初级经济师
中级经济师
初级会计师
中级会计师
注册会计师
税务师
资产评估师
教师类
中学教师笔试
小学教师笔试
幼儿教师笔试
幼儿结构化面试
幼儿专业面试
中小学结构化面试
学历提升
成考(专升本)
成考(高起本、高起专)
自考
网校课程
登录
注册好礼
我的主页
我的提问
我的回答
退出
当前位置:
首页
>
电气工程师公共基础(基础考试)
>
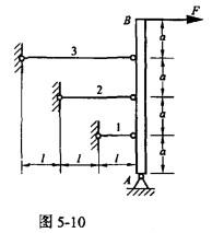
单项选择题 铅直的刚性杆AB上铰接着三根材料相同,横截面面积相同,相互平行的水平等直杆,其长度分别为l、2l和3l,如图
单选
单项选择题 铅直的刚性杆AB上铰接着三根材料相同,横截面面积相同,相互平行的水平等直杆,其长度分别为l、2l和3l,如图5-10所示。今在B端作用一水平的集中力F,若以FN1、 FN2、FN3和ε1、ε2、ε3分别表示杆1、2、3的轴力和应变值,给定以下四种情况,正确的为( )。
A A
B B
C C
D D
E E
正确答案
A
查看解析
搜索
相关试题
单选
单项选择题 如图4-61所示匀质杆AB长l,质量为C。点D距点A为1/4l。杆对通过点D且垂直于的轴y的转动惯量为( )。
A A B B C C D D E E
查看
单选
单项选择题 如图5-28所示两根梁的最大弯矩之比Mmax a/Mmax b等于( )。 A. 1 B. 2 C. 3 D. 4
A A B B C C D D E E
查看
单选
单项选择题 交通部门拟修建一条公路,预计建设期为一年,建设期初投资为100万元,建成 后即投入使用,预计使用寿命为10年,每年产生的效益为20万元,每年需投入保
A A B B C C D D E E
查看
单选
单项选择题 质量为m,长为2l的均质细杆初始位于水平位置,如图4-68所示。A端脱落后, 杆绕轴B转动,当杆转到铅垂位置时,AB杆B处的约束力大小为( )。
A A B B C C D D E E
查看
单选
单项选择题 负有安全生产监督管理职责的部门依法对生产经营单位执行有关安全生产的法 律、法规、国家标准或者行业标准的情况进行监督检查的职权不包括( )。 A.对生
A A B B C C D D E E
查看
单选
单项选择题 在下列各种化合物中,分子间有氢键的是( )。 A. CH3Br B. NH3 C. CH4 D. CH3Cl
A A B B C C D D E E
查看
单选
单项选择题 己知氯电极的标准电极电势为1.358V,当氯离子浓度为0.1mol/L,氯气浓度为 0.1×100kPa时,该电极的电极电势为( )V。 A. 1.
A A B B C C D D E E
查看
单选
单项选择题 电路如图7-49所示,已知R1=R2=2kΩ,R3=3kΩ,VD为理想二极管,电流I为()mA。 A.0.75 B.0 C.1 D.3
A A B B C C D D E E
查看
单选
单项选择题 设代表气体分子运动的平均速率,Vp代表气体分子运动的最概然速率,代表气体分子运动的方均根速率,处于平衡态下的某种理想气体,其三种速率关系为()。
A A B B C C D D E E
查看
单选
单项选择题 力系简化时若取不同的简化中心,则有( )。 A.力系的主矢、主矩都会改变 B.力系的主矢不会改变,主矩一般会改变 C.力系的主矢会改变、主矩一般不改
A A B B C C D D E E
查看
刷题小程序
热门试卷
电气工程师《公共基础》模拟卷1
电气工程师《公共基础》模拟卷2
电气工程师《公共基础》模拟卷3
电气工程师《公共基础》模拟卷4
电气工程师《公共基础》模拟卷5
电气工程师《公共基础》模拟卷6
电气工程师《公共基础》模拟卷7
电气工程师《公共基础》模拟卷8
电气工程师《公共基础》预测卷1
电气工程师《公共基础》预测卷2
电气工程师《公共基础》预测卷3
电气工程师《公共基础》预测卷4
电气工程师《公共基础》预测卷5
电气工程师《公共基础》预测卷6