首页
考研
最新考研题库
中外美术史23新版
建筑类
二级建造师
一级建造师
一级造价工程师
监理工程师
安全工程师
一级消防工程师
消防设施操作员
医学类
主治类
执业药师
护师(初级)资格证考试
主管护师(中级)资格证考试
护士资格证考试
医师类
中药学类
金融类
基金从业资格
银行从业资格
证券从业资格
期货从业资格
银行招聘考试
财会类
初级经济师
中级经济师
初级会计师
中级会计师
注册会计师
税务师
资产评估师
教师类
中学教师笔试
小学教师笔试
幼儿教师笔试
幼儿结构化面试
幼儿专业面试
中小学结构化面试
学历提升
成考(专升本)
成考(高起本、高起专)
自考
网校课程
登录
注册好礼
我的主页
我的提问
我的回答
退出
当前位置:
首页
>
注册环保工程师 - 公共基础
>
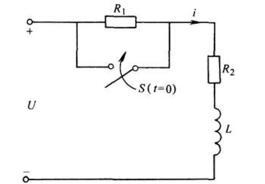
电路如图所示,已知:U=30V,R1=10Ω,R2=20Ω,L=1H,稳定状态下闭合开关S将R1短路,短路后经过( )s
单选
电路如图所示,已知:U=30V,R1=10Ω,R2=20Ω,L=1H,稳定状态下闭合开关S将R1短路,短路后经过( )s电流i达到1.2A。
A A.0.017
B B.0.026
C C.0.051
D D.0.076
正确答案
B
查看解析
搜索
相关试题
单选
单选题 1. 设直线L的方程为 <p> 则L的参数方程是( )。
A A B B C C D D E E
查看
单选
单选题 平行于x轴且经过点(4,0,-2)和点(2,1,1)的平面方程是( )。
A A B B C C D D E E
查看
单选
单选题 下列关于曲面方程的结论中,错误的是( )。
A A B B C C D D E E
查看
单选
单选题
A A B B C C D D E E
查看
单选
单选题 则dy=( )。
A A B B C C D D E E
查看
单选
单选题 <p>
A A B B C C D D E E
查看
单选
f(x)=x-arc cotx,其增减性为( )。
A A.在(-∞,+∞)内是单调递增 B B.在定义域 C <img border="0" alt="" src="https://tuku.weimei168.com/uploads/upimg/20251114/5278553_0.jpg"> D 内是单调递增 E C.在(-∞,+∞)内是单调递减
查看
单选
单选题 <p> 在[0,10]上的最大值和最小值依次为( )。
A A B B C C D D E E
查看
单选
单选题
A A B B C C D D E E
查看
单选
单选题
A A B B C C D D E E
查看
刷题小程序
热门试卷
注册环保工程师《公共基础考试》模考卷1
注册环保工程师《公共基础考试》模考卷2
注册环保工程师《公共基础考试》模考卷3
注册环保工程师《公共基础考试》模考卷4
注册环保工程师《公共基础考试》预测卷1
注册环保工程师《公共基础考试》预测卷2
注册环保工程师《公共基础考试》预测卷3
注册环保工程师《公共基础考试》预测卷4