首页
考研
最新考研题库
中外美术史23新版
建筑类
二级建造师
一级建造师
一级造价工程师
监理工程师
安全工程师
一级消防工程师
消防设施操作员
医学类
主治类
执业药师
护师(初级)资格证考试
主管护师(中级)资格证考试
护士资格证考试
医师类
中药学类
金融类
基金从业资格
银行从业资格
证券从业资格
期货从业资格
银行招聘考试
财会类
初级经济师
中级经济师
初级会计师
中级会计师
注册会计师
税务师
资产评估师
教师类
中学教师笔试
小学教师笔试
幼儿教师笔试
幼儿结构化面试
幼儿专业面试
中小学结构化面试
学历提升
成考(专升本)
成考(高起本、高起专)
自考
网校课程
登录
注册好礼
我的主页
我的提问
我的回答
退出
当前位置:
首页
>
注册环保工程师 - 公共基础
>
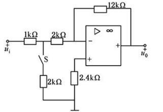
电路如图所示,当开关S断开时,电路的运算关系是( )。
单选
电路如图所示,当开关S断开时,电路的运算关系是( )。
A A.u0=-6ui
B B.u0=-4ui
C C.u0=5ui
D D.u0=9ui
正确答案
B
查看解析
搜索
相关试题
单选
单选题
A A B B C C D D E E
查看
单选
已知函数f(x,y)在点(0,0)的某个邻域内连续,且
A A.点(0,0)不是f(x,y)的极值点 B B.点(0,0)是f(x,y)的极大值点 C C.点(0,0)是f(x,y)的极小值点 D D.根据所给条件无法判断点(0,0)是否为f(x,y)的极值点
查看
单选
设函数f(x)在 内连续,其导函数的图形如图所示,则f(x)有( )。
A A.一个极小值点和两个极大值点 B B.两个极小值点和一个极大值点 C C.两个极小值点和两个极大值点 D D.三个极小值点和一个极大值点
查看
单选
单选题
A A B B C C D D E E
查看
单选
A A.(1,2) B B.(1,0.5) C C.(2,0.5) D D.(2,1)
查看
单选
单选题
A A B B C C D D E E
查看
单选
A A.7/8 B B.2/3 C C.5/8 D D.3/8
查看
单选
单选题
A A B B C C D D E E
查看
单选
A A.1 B B.0 C C.∞ D D.0.5
查看
单选
单选题
A A B B C C D D E E
查看
刷题小程序
热门试卷
注册环保工程师《公共基础考试》模考卷1
注册环保工程师《公共基础考试》模考卷2
注册环保工程师《公共基础考试》模考卷3
注册环保工程师《公共基础考试》模考卷4
注册环保工程师《公共基础考试》预测卷1
注册环保工程师《公共基础考试》预测卷2
注册环保工程师《公共基础考试》预测卷3
注册环保工程师《公共基础考试》预测卷4