单选

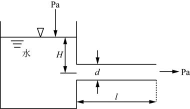
某水箱内水由一管路流出,水位差为H,管长为l,管径为d,管路损失为hw,水的密度为ρ,若密度改为ρ′>ρ,则管路损失h′w将(  )。

A h′w>hw
B h′w=hw
C h′w<hw
D h′w>hw或h′w<hw

正确答案
B
查看解析

相关试题

单选
当x≠0时,,为了使f(x)在点x=0处连续,则应补充定义f(0)应是( )。
A 1/2 B 1 C 3/2 D 3
查看
单选
设函数y=f[x+φ(x)],其中f(x)、φ(x)均具有二阶导数,则二阶导数等于( )。
A <img border="0" alt="" src="https://tuku.weimei168.com/uploads/upimg/20251114/23412795_0_1.png"> B <img border="0" alt="" src="https://tuku.weimei168.com/uploads/upimg/20251114/23412795_0_2.png"> C <img border="0" alt="" src="https://tuku.weimei168.com/uploads/upimg/20251114/23412795_0_3.png"> D <img border="0" alt="" src="https://tuku.weimei168.com/uploads/upimg/20251114/23412795_0_4.png">
查看
单选
曲线在x>0条件下的凹区间是( )。
A (0,+∞) B (0,1) C (1,+∞) D (1/2,+∞)
查看
单选
的值等于( )。
A -2 B -3 C -2e^1 D -3e^1
查看
单选
若f(x)在点x=0处的某邻域内连续,且f(x)=f(0)-3x+α(x),又,则f(x)在点x=0处的导数应是( )。
B 1 C 3 D -3
查看
单选
可导函数在某一点的导数为零是此函数在该点有极值的( )。
A 充要条件 B 充分条件 C 必要条件 D 既非充分又非必要条件
查看
单选
若,则f(x)为( )。
A <img border="0" alt="" src="https://tuku.weimei168.com/uploads/upimg/20251114/23412797_0_1.png"> B <img border="0" alt="" src="https://tuku.weimei168.com/uploads/upimg/20251114/23412797_0_2.png"> C <img border="0" alt="" src="https://tuku.weimei168.com/uploads/upimg/20251114/23412797_0_3.png"> D <img border="0" alt="" src="https://tuku.weimei168.com/uploads/upimg/20251114/23412797_0_4.png">
查看
单选
定积分的值为( )。
A 2 B 2/3 C 3/2 D 0
查看
单选
已知单位向量α与向量β=(1,-2,2)逆向且共线,则向量α为( )。
A (-1/3,2/3,-2/3) B (-1/3,-2/3,-2/3) C (1/3,-2/3,2/3) D (-1/3,-2/3,2/3)
查看
单选
设有直线L1:和直线L2:,则直线L1与L2的夹角θ等于( )。
A π/2 B π/3 C π/4 D π/6
查看
刷题小程序
注册环保工程师 - 公共基础题库小程序