首页
考研
最新考研题库
中外美术史23新版
建筑类
二级建造师
一级建造师
一级造价工程师
监理工程师
安全工程师
一级消防工程师
消防设施操作员
医学类
主治类
执业药师
护师(初级)资格证考试
主管护师(中级)资格证考试
护士资格证考试
医师类
中药学类
金融类
基金从业资格
银行从业资格
证券从业资格
期货从业资格
银行招聘考试
财会类
初级经济师
中级经济师
初级会计师
中级会计师
注册会计师
税务师
资产评估师
教师类
中学教师笔试
小学教师笔试
幼儿教师笔试
幼儿结构化面试
幼儿专业面试
中小学结构化面试
学历提升
成考(专升本)
成考(高起本、高起专)
自考
网校课程
登录
注册好礼
我的主页
我的提问
我的回答
退出
当前位置:
首页
>
注册环保工程师 - 公共基础
>
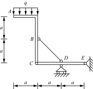
单选题 图示平面构架,由直角杆ABC与杆BD、CE铰接而成,各杆自重不计。已知:均布载荷为q,尺寸为a,则支座E的约束力
单选
单选题 图示平面构架,由直角杆ABC与杆BD、CE铰接而成,各杆自重不计。已知:均布载荷为q,尺寸为a,则支座E的约束力为( )。
A A
B B
C C
D D
E E
正确答案
A
查看解析
搜索
相关试题
单选
单选题 若x→0时,f(x)为无穷小,且为x2的高阶无穷小,则等于( )。 A.1 B.0 C.1/2 D.∞
A A B B C C D D E E
查看
单选
设函数,则( )。
A A.x=1和x=-1均为第二类间断点 B B.x=1和x=-1均为可去间断点 C C.x=1为第二类间断点,x=-1为可去间断点 D D.x=1为可去间断点,x=-1为第二类间断点
查看
单选
单选题 若函数y=f(x)在点x0处有不等于零的导数,并且其反函数x=g(y)在点y0(y0=f(x0))处连续,则导数g′(y0)等于( )。
A A B B C C D D E E
查看
单选
单选题 设,其中f(x)是可微函数,则微分dy等于( )。
A A B B C C D D E E
查看
单选
设偶函数f(x)具有二阶连续导数,并且f″(0)≠0,则x=0( )。
A A.一定不是f′(x)取得零值的点 B B.一定不是f(x)的极值点 C C.一定是f(x)的极值点 D D.不能确定是否为f(x)的极值点
查看
单选
单选题 函数在区间[0,]上满足罗尔定理的ξ等于( )。 A.-1 B.0 C.1 D.
A A B B C C D D E E
查看
单选
单选题 若y=tan2x的一个原函数为y=kln(cos2x),则常数k等于( )。
A A B B C C D D E E
查看
单选
单选题 设,则下列关系式中正确的是( )。
A A B B C C D D E E
查看
单选
设α、β为两个非零向量,则|α×β|等于( )。
A |α||β| B |α||β|cos(α,β) C |α|+|β| D |α||β|sin(α,β)
查看
单选
设有直线,则该直线必定( )。
A 过原点且平行于Oy轴 B 过原点且垂直于Oy轴 C 不过原点,但垂直于Oy轴 D 不过原点,但不平行于Oy轴
查看
刷题小程序
热门试卷
2017年注册环保工程师《公共基础考试》真题
2018年注册环保工程师《公共基础考试》真题
2019年注册环保工程师《公共基础考试》真题
2020年注册环保工程师《公共基础考试》真题
2021年注册环保工程师《公共基础考试》真题
2022年注册环保工程师《公共基础考试》真题
2022年补考注册环保工程师《公共基础考试》真题
2023年注册环保工程师《公共基础考试》真题
2024年注册环保工程师《公共基础考试》真题