单选

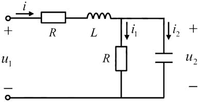
在图示电路中,当u1=U1=5V时,i=I=0.2A,那么( )。

A 电压u2和电流i1分别为2.5V、0.2A
B 电压u2小于2.5V,电流i1为0.2A
C 电压u2为2.5V,电流i1小于0.2A
D 因L、C未知,不能确定电压u2和电流i1

正确答案
A
查看解析

相关试题

单选
若,则非零常数k等于( )。
A -ln2 B ln2 C <img border="0" alt="" src="https://tuku.weimei168.com/uploads/upimg/20251114/21573674_0_1.png"> D <img border="0" alt="" src="https://tuku.weimei168.com/uploads/upimg/20251114/21573674_0_2.png">
查看
单选
当x→0时,asin^2x与为等价无穷小量,则常数a等于( )。
A 3 B <img border="0" alt="" src="https://tuku.weimei168.com/uploads/upimg/20251114/21573675_0_1.png"> C <img border="0" alt="" src="https://tuku.weimei168.com/uploads/upimg/20251114/21573675_0_2.png"> D <img border="0" alt="" src="https://tuku.weimei168.com/uploads/upimg/20251114/21573675_0_3.png">
查看
单选
若可微函数,且f(1)=1,则函数f(x)的表达式是( )。
A f(x)=2ln|x|+1 B f(x)=-2ln|x|+1 C <img border="0" alt="" src="https://tuku.weimei168.com/uploads/upimg/20251114/21573676_0_1.png"> D <img border="0" alt="" src="https://tuku.weimei168.com/uploads/upimg/20251114/21573676_0_2.png">
查看
单选
设,且,则等于( )。
A e^cosx(sinx+cosx) B e^cosx(sinx-cosx) C e^cosx(sin^2x-cosx) D e^cosx(sin^2x+cosx)
查看
单选
曲线的渐近线方程是( )。
A y=0 B y=1 C x=0 D x=1
查看
单选
已知(x0,f(x0))是曲线y=f(x)的拐点,则下列结论中正确的是( )。
A 一定有f′(x)=0 B x=x0一定是f(x)的二阶不可微点 C x=x0一定是f(x)的驻点 D x=x0一定是f(x)的连续点
查看
单选
( )。
A -4 B 4 C 2 D 0
查看
单选
F(x)是e^-x的一个原函数,则不定积分等于( )。
A e^-x+C B -e^-x+C C e^-2x+C D -e^-2x+C
查看
单选
i、j、k分别表示空间直角坐标系中沿Ox、Oy、Oz轴正向上的基本单位向量,则i×j×k等于( )。
B 1 C -1 D k
查看
单选
下列的方程中,过y轴上的点(0,1,0)且平行于xOz坐标面的平面方程是( )。
A x=0 B y=1 C z=0 D x+z=1
查看
刷题小程序
注册环保工程师 - 公共基础题库小程序