首页
考研
最新考研题库
中外美术史23新版
建筑类
二级建造师
一级建造师
一级造价工程师
监理工程师
安全工程师
一级消防工程师
消防设施操作员
医学类
主治类
执业药师
护师(初级)资格证考试
主管护师(中级)资格证考试
护士资格证考试
医师类
中药学类
金融类
基金从业资格
银行从业资格
证券从业资格
期货从业资格
银行招聘考试
财会类
初级经济师
中级经济师
初级会计师
中级会计师
注册会计师
税务师
资产评估师
教师类
中学教师笔试
小学教师笔试
幼儿教师笔试
幼儿结构化面试
幼儿专业面试
中小学结构化面试
学历提升
成考(专升本)
成考(高起本、高起专)
自考
网校课程
登录
注册好礼
我的主页
我的提问
我的回答
退出
当前位置:
首页
>
目标控制(土木建筑)
>
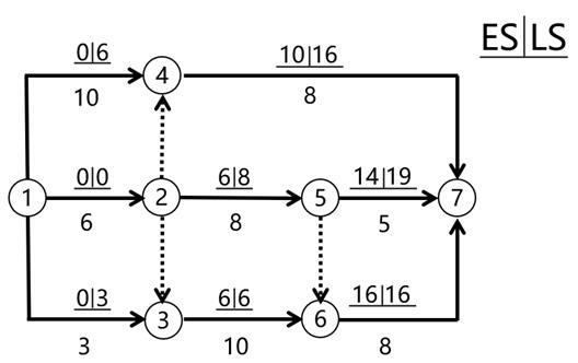
某工程双代号网络计划如下图所示,图中表明的正确信息有( )。
多选
某工程双代号网络计划如下图所示,图中表明的正确信息有( )。
A 工作①→③的总时差等于自由时差
B 工作①→④的总时差等于自由时差
C 工作②→⑤的自由时差为零
D 工作⑤→⑦为关键工作
E 工作⑥→⑦为关键工作
正确答案
ACE
查看解析
搜索
相关试题
单选
建设工程规定合理使用寿命期,体现了建设工程质量的( )特性。
A 适用性 B 耐久性 C 安全性 D 经济性
查看
单选
通过对人的素质和行为控制,以工作质量保证工程质量的做法,体现了坚持( )的质量控制原则。
A 质量第一 B 预防为主 C 以人为核心 D 以合同为依据
查看
单选
建设工程发生质量事故后,有关单位应在( )小时内向当地建设行政主管部门和其他有关部门报告。
A 1 B 2 C 24 D 48
查看
单选
下列工作中,施工单位不得擅自开展的是( )。
A 对已完成的分项工程进行自检 B 对预拌混凝土进行检验、 C 对分包工程质量进行检查 D 修改工程设计,纠正设计图纸差错
查看
单选
重点管理能改进组织关键活动的各种因素,是ISO质量管理体系的质量管理原则中( )的基本内容。
A 以顾客为关注焦点 B 领导作用 C 全员参与 D 过程方法
查看
单选
监理单位质量管理体系运行中,定期召开监理例会体现了( )的要求。
A 文件标识与控制 B 产品质量追踪检查 C 物资管理 D 内部审核
查看
单选
根据《卓越绩效评价准则》,采用卓越绩效模式的驱动力来自( )。
A 标准化导向 B 市场竞争 C 市场准入 D 符合性评审
查看
单选
在工程质量统计分析中,用来描述数据离散趋势的特征值是( )。
A 平均数与标准偏差 B 中位数与变异系数 C 标准偏差与变异系数 D 中位数与标准偏差
查看
单选
根据《建筑工程施工质量验收统一标准》,对应于主控项目合格质量水平的错判概率α和漏判概率β,正确的取值范围是( )。
A α和β均不宜超过5% B α不宜超过5%,β不宜超过10% C α不宜超过3%,β不宜超过5% D α不宜超过3%,β不宜超过10%
查看
单选
工程质量统计分析相关图中,散布点形成由左至右向下分布的较分散的直线带,表明反映产品质量特征的变量之间存在( )关系。
A 不相关 B 正相关 C 弱正相关 D 弱负相关
查看
刷题小程序
热门试卷
2022年监理工程师考试《建设工程目标控制(土木建筑工程)》真题及答案
2021年监理工程师考试《建设工程目标控制(土木建筑工程)》真题及答案
2020年监理工程师考试《建设工程目标控制(土木建筑工程)》真题及答案
2019年监理工程师考试《建设工程目标控制(土木建筑工程)》真题及答案
2018年监理工程师考试《建设工程目标控制(土木建筑工程)》真题及答案
2017年监理工程师考试《建设工程目标控制(土木建筑工程)》真题及答案
2016年监理工程师考试《建设工程目标控制(土木建筑工程)》真题及答案
2022年11月监理工程师考试《建设工程目标控制(土木建筑工程)》真题
2023年监理工程师《目标控制(土建)》真题精选
2024年监理工程师《目标控制(土建)》考试真题
2025年监理工程师《目标控制(土建)》考试真题
2025年监理工程师《目标控制(土建)》考试真题