分析

案例题 某安装公司承包一商场的建筑电气施工,工程内容有变电所、供电干线、室内配线和电气照明。主要设备有电力变压器、配电柜、插接式母线槽(供电干线)、照明电器(灯具、开关、插座和照明配电箱),合同约定设备、材料均由安装公司采购。
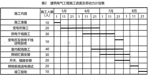
安装公司项目部进场后,编制了建筑电气工程的施工方案、施工进度及劳动力计划,见表2。

采购的变压器、配电柜及插接式母线槽在5月11日送达施工现场,经二次搬运到安装位置,施工人员依据施工方案制定的施工程序进行安装。项目部对施工项目动态控制,及时调整施工进度计划,使工程按合同要求完成。
在施工过程中,发生了以下三个事件:
事件一:室内配线施工时,由于对劳动力优化配置认识不足,人力资源调配出现短缺,现场只能安排30人。班组加班加点,赶在8月20日才完成配线施工。
事件二:在灯具安装时,项目部对灯具的固定情况进行了检查,因灯具质量为11kg。
项目部做了固定装置的强度试验。
事件三:项目部将2 000m供电干线施工分包给B公司,预算单价为150元/m。在7月3日结束前检查,B公司只完成电缆排管施工1 000m,但支付给B公司的工程进度款累计已达250 000元。项目部对B公司提出了警告,要求加快进度。
【问题】
1.事件一发生后,7月下旬现场有多少工人?
2.事件一的发生是否影响施工进度?说明理由。
3.根据事件二,说明灯具固定及强度试验要求。
4.计算事件三中供电干线施工的费用偏差和进度偏差。判断进度提前或者滞后。

正确答案
1.事件一发生后,7月下旬现场的工人人数为:10+30+30+20=90(人)
2.事件一会影响施工进度。
理由:室内配线工作8月20日才完成,配线系统施工完毕才能开始照明系统送电调试,而按原计划,作为关键工作的照明系统送电调试必须在8月11日开始。
3.(1)灯具固定要求:①灯具固定应牢固可靠,在砌体和混凝土结构上严禁使用木榫、尼龙塞或塑料塞固定;②检查时按每检验批的灯具数量抽查5%,且不得少于1套。
(2)强度试验要求:①质量大于10kg的灯具、固定装置及悬吊装置应按灯具质量的5倍恒定均布载荷做强度试验,且持续时间不得少于15min。②施工或强度试验时观察检查,查阅灯具固定装置及悬吊装置的载荷强度试验记录;应全数检查。
4.已完工程预算费用BCWP=1000×150=150000(元)。
计划工程预算费用BCWS=2000/40×23×150=172500(元)。
已完工程实际费用ACWP=250000元。
故费用偏差CV=BCWP—ACWP=150 000-250 000=-100000(元)。
进度偏差SV=BCWP—BCWS=150 000—172 500=-22500(元)<0,故进度滞后。
查看解析

相关试题

单选
敞口水箱满水试验静置观察的时间是( )。
A 12h B 24h C 36h D 48h
查看
单选
关于接地模块施工的说法,错误的是()。
A 接地模块的顶面埋深不应小于0.6m B 接地模块的间距不应小于模块长度的3~5倍 C 接地模块的接地干线应串联焊接成一个环路 D 接地模块的干线环路引出线不应少于2处
查看
单选
设备灌浆对安装精度的影响主要是( )和密实度。
A 硬度 B 强度 C 刚度 D 精度
查看
单选
下列风管中,进行严密性试验时应符合中压风管规定的是( )。
A 排风风管 B 变风量空调的风管 C 新风风管 D N1级洁净空调风管
查看
单选
关于电梯整机验收要求的说法,错误的是( )。
A 电梯的动力电路必须有过载保护装置 B 断相保护装置应使电梯不发生危险故障 C 电梯门锁装置必须与其型式试验证书相符 D 限速器在联动试验中应使电梯主机延时制动
查看
单选
下列施工协调内容,属于施工单位内部协调的是( )。
A 施工图纸设计交底 B 监理要求的施工整改 C 施工机具优化配置 D 业主提供的设备验收
查看
单选
关于自动化仪表取源部件的安装要求,正确的是()。
A 合金钢管道上取源部件的开孔采用气割加工 B 取源部件安装后应与管道同时进行压力试验 C 绝热管道上安装的取源部件不应露出绝热层 D 取源阀门与管道的连接应采用卡套式接头
查看
单选
在防腐工程中,涂料进场时的产品质量证明文件不包括的是()。
A 质量检测方法 B 材料检测报告 C 技术鉴定文件 D 施工工艺要求
查看
单选
在建筑管道中,薄壁不锈钢管道应采用( )。
A 焊接连接 B 沟槽连接 C 法兰连接 D 卡压连接
查看
单选
下列关于消防工程施工技术要求的说法中,错误的是( )
A 火灾自动报警严禁与动力、照明、交流线、视频线或广播线等穿入同一线管内 B 消火栓的栓口朝外,栓口中心距地1.1m,并不应安装在门轴侧 C 自动喷水灭火系统的管道横向安装宜设2‰-5‰坡度 D 防火风管的本体必须为不燃材料,框架与密封垫料应为阻燃材料
查看
刷题小程序
机电工程管理与实务题库小程序