单选

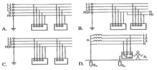
单选题 保护接零系统又叫作TN系统,N表示电气设备在正常情况下不带电的金属部分与配电网中性点之间直接连接。TN系统又分为TN-S、TN-C-S、TN-C三种情况,下列图中表示TN-C-S系统的是( )。

A A
B B
C C
D D
E E

正确答案
B
查看解析

相关试题

单选
绝缘是用绝缘物把带电体封闭起来,绝缘材料包括固体绝缘材料、液体绝缘材料和气体绝缘材料,绝缘材料有多项性能指标,受到电气、高温、潮湿、机械、化学、生物等因素的作用
A 绝缘材料的热性能包括绝缘电阻、耐压强度、泄漏电流和介质损耗 B 材料恰好能保持燃烧状态所需要的最高氧浓度用氧指数表示,故在不考虑材料成本的前提下,氧指数越高耐热性能越好 C 气体绝缘击穿是由碰撞电离导致的电击穿,气体击穿后将失去其原有性能 D 耐弧性能是指接触电弧表面抗碳化的能力,无机绝缘材料的耐弧性能优于有机绝缘材料的耐弧性能
查看
单选
电气照明按安装部位可分为一般照明、局部照明和混合照明等;按应用功能分为一般照明、应急照明和备用照明。选择合理的照明方式,对改善照明质量、提高经济效益和节约能源等
A 在特别潮湿场所、高温场所、有导电灰尘或有导电地面的场所,对于容易触及而又无防触电措施的固定式灯具应强制使用安全电压供电 B 应急照明的电源,应区别于正常照明的电源并根据需要选择切换装置,保障故障状态下的持续供电 C 灯饰所用材料应选择氧指数小于21%的难燃性材料 D 爆炸危险性的库房内装设的碘钨灯、卤钨灯应选用防爆型灯具,其防爆型式及防爆结构应满足爆炸危险环境的使用要求
查看
单选
锅炉结渣是指灰渣在高温下黏结于受热面、炉墙、炉排之上并越积越多的现象。结渣会使受热面吸热能力减弱,降低锅炉的的出力和效率。下列措施中能预防结渣的是( )。
A 控制炉膛出口温度,使之不超过灰渣变形温度 B 降低煤的灰渣熔点 C 提高炉膛温度,使煤粉燃烧后的细灰呈飞腾状态 D 加大水冷壁间距
查看
单选
锅炉蒸发表面(水面)汽水共同升起,产生大量泡沫并上下波动翻腾的现象叫做汽水共腾。汽水共腾会使蒸汽带水,降低蒸汽品质,造成过热器结垢,损坏过热器或影响用汽设备的安
A 加大燃烧力度 B 开大主蒸汽管道阀门 C 加强蒸汽管道和过热器的疏水 D 全开连续排污阀,关闭定期排污阀
查看
单选
起重机典型的事故以重物失落事故为首,指的是起重作业中,吊载、吊具等重物从空中坠落所造成的人身伤亡和设备毁坏的事故。下列预防吊钩断裂事故的应对措施中,正确的包括(
A 吊装前检查吊钩的护钩装置 B 起吊埋置物前进行试吊,防止钩口变形引起开口过大 C 定期对吊钩进行无损检测,防止吊钩材质缺陷、疲劳断裂 D 室外进行的吊装作业,碰到6级级以上强风天气必须暂停作业
查看
单选
锅炉启动是设备从冷态到热态的过程,启动过程中锅炉烟风系统和水汽系统的安全尤为最要,关于锅炉启动过程中安全要求的说法,错误的是( )。
A 锅筒上水时,水温与锅筒筒壁温差控制不应超65℃ B 锅炉在点火前对于设有风机的锅炉,炉膛应强制通风5~10min C 锅炉升温过程中,水冷壁两侧膨胀指示器偏差较大时,应停止升温进行检查 D 锅炉在点火升温期,省煤器再循环阀门应处于开启状态
查看
单选
场(厂)内机动车辆的液压系统中,如果超载或者油缸到达终点油路仍未切断,以及油路堵塞引起压力突然升高,会造成液压系统损坏。因此,液压系统中必须设置( )。
A 安全阀 B 切断阀 C 止回阀 D 调节阀
查看
单选
根据《起重机械安全规程第1部分:总则》,电动葫芦应配备的安全防护装置是( )。
A 起重量限制器、起升高度限位器 B 起重量限制器、运行行程限位器 C 联锁保护安全装置、起升高度限位器 D 联锁保护安全装置、运行行程限位器
查看
单选
化工厂污水罐主要用于收集厂内工艺污水,通过污水处理单元处理达标后排入公用排水设施,事故统计表明,污水罐发生闪爆事故的直接原因多是内部的硫化氢气体积聚。上游工艺单
A 划分防爆区域 B 静电防护装置 C 惰性气体保护 D 可燃气体检测
查看
单选
危险化学品的运输事故时有发生,全面了解和掌握危险化学品的安全运输规定。对预防危险化学品事故具有重要意义,下列运输危险化学品的行为中,符合运输安全要求的是( )。
A 某工厂安排押运员与专职司机一起运输危险化学品二氯乙烷 B 在运输危险化学品氯酸钾时,司机临时将车辆停止马路边买水 C 某工厂计划通过省内人工河道运输少量危险化学品环氧乙烷 D 某工厂采用特制叉车将液化石油气钢瓶从库房甲转移到库房乙
查看
刷题小程序
安全生产技术基础题库小程序