首页
考研
最新考研题库
中外美术史23新版
建筑类
二级建造师
一级建造师
一级造价工程师
监理工程师
安全工程师
一级消防工程师
消防设施操作员
医学类
主治类
执业药师
护师(初级)资格证考试
主管护师(中级)资格证考试
护士资格证考试
医师类
中药学类
金融类
基金从业资格
银行从业资格
证券从业资格
期货从业资格
银行招聘考试
财会类
初级经济师
中级经济师
初级会计师
中级会计师
注册会计师
税务师
资产评估师
教师类
中学教师笔试
小学教师笔试
幼儿教师笔试
幼儿结构化面试
幼儿专业面试
中小学结构化面试
学历提升
成考(专升本)
成考(高起本、高起专)
自考
网校课程
登录
注册好礼
我的主页
我的提问
我的回答
退出
当前位置:
首页
>
安全生产技术基础
>
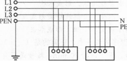
间接接触触电的防护措施有保护接地和保护接零。根据接地保护的方位和方式不一样,系统分为IT系统、TT系统、TN系统。下图表
单选
间接接触触电的防护措施有保护接地和保护接零。根据接地保护的方位和方式不一样,系统分为IT系统、TT系统、TN系统。下图表示的系统是( )。
A IT系统(保护接地)
B TN—C系统
C TN—C—S系统
D TN—S系统
正确答案
C
查看解析
搜索
相关试题
单选
2020 年3 月21 日,某机械制造车间锻压机械加工工位班组长赵某带领学徒小李维修锻压机械。维修过程未进行拉闸保护,期间,学徒小李因故离开,班长赵某将手伸入锻
A 锻压机械的电路故障、锻压机械操作平台无防护栏; B 锻压机械冲头的动能、高处坠落的势能伤害; C 操作锻压机未进行断电处理、小李擅离职守; D 高处坠落的势能伤害、锻压机械的电气故障;
查看
单选
机械产品的安全是通过设计、制造等环节实现,消除或减少相关风险,应按等级选择安全技术措施,其中本质安全措施也称直接安全技术措施。下列安全技术措施中,不属于本质安全
A 采用安全电压供电的电气设备 B 关键组件的冗余性组件安装 C 储油罐周围设置防火堤 D 锻压工艺中以液压代替锤击成型工艺
查看
单选
剪板机操作中,( )是不安全的。
A 两人同时在一部剪板机站立剪切两种材料 B 在剪板机上剪切压紧的狭窄钢条 C 剪板机应有单次循环模式 D 启动配套安全监督控制装置
查看
单选
木工加工过程中存在诸多危险有害因素,因此要积极采取防护措施进行防护,下列关于木工加工过程中的危险有害因素防护措施说法中正确的是( )。
A 刀具主轴在惯性运转过程中存在危险,应装配装置使刀具主轴在小于10ms 时间内停止 B 用手推动的移动工具台必须采取防止脱落的措施 C 在刨床唇板上设置梳状槽和打孔,能够降低木料反弹抛射风险 D 吸尘罩宜采用电动设计,避免空气在吸尘管道内部受阻
查看
单选
某职工在啤酒厂负责给回收的啤酒瓶进行翻洗工作,工作时间从8:00到17:00,工作一段时间后,该职工认为作业单一、乏味,没有兴趣,经常将啤酒瓶打碎,根据安全人机
A 肌肉疲劳 B 体力疲劳 C 心理疲劳 D 行为疲劳
查看
单选
金属铸造是将熔融的金属注入、压入或吸入铸模的空腔中使之成型的加工方法。铸造作业中存在着多种危险有害因素。下列危险有害因素中,不属于铸造作业危险有害因素的是( )
A 粉尘爆炸 B 高处坠落 C 灼烫 D 高温和热辐射
查看
单选
锻造是金属压力加工方法之一,在其加工过程中,机械设备、工具或工件的非正常选择和使用、人的违章作业等都可能导致机械伤害。下列伤害类型中,不属于机械伤害的是( )。
A 锤头击伤 B 高空坠落 C 操作杆打伤 D 冲头打崩伤人
查看
单选
色彩可以引起人的情绪反应,也会一定程度影响人的行为。产生这种反应的原因,一是人的先天因素,二是人们对过去经验的潜意识作用。下列关于色彩对人体影响的说法中,正确的
A 红色色调会抑制各种器官的兴奋,可引起一定的降低血压及减缓脉搏的作用 B 色彩的生理作用主要表现在对视觉疲劳的影响 C 绿色等色调会使人的各种器官机能兴奋,有促使血压升高及脉搏加快的作用 D 对引起眼睛疲劳而言,红、橙色最甚,蓝、紫色次之
查看
单选
压力容器的无损检测是全面检验的重要手段,无损检测广泛应用于金属材料表面裂纹,内部裂纹等缺陷的诊断。下列无损检测方法中,能对内部裂纹缺陷进行检测的是( )。
A 超声检测 B 涡流检测 C 渗透检测 D 磁粉检测
查看
单选
当施加于绝缘材料上的电场强度高于临界值时,绝缘材料发生破裂或分解,电流急剧增加,完全失去绝缘性能,这种现象就是绝缘击穿。下列关于绝缘击穿的说法中错误的是( )。
A 气体击穿是碰撞电离导致的电击穿,击穿后绝缘性能会很快恢复 B 液体绝缘的击穿特性与其纯净度有关,纯净液体击穿也是电击穿,密度越大越难击穿 C 液体绝缘击穿后,绝缘性能能够很快完全恢复 D 固体绝缘击穿后将失去原有性能
查看
刷题小程序
热门试卷
2022年中级注册安全工程师考试《安全生产技术基础》模拟卷
2022年中级注册安全工程师考试《安全生产技术基础》预习卷
2022年中级注册安全工程师考试《安全生产技术基础》提分卷
2021年中级注册安全工程师考试《安全生产技术基础》临考密训卷
2021年中级注册安全工程师考试《安全生产技术基础》临考冲刺卷(二)
2021年中级注册安全工程师考试《安全生产技术基础》临考冲刺卷(一)
2021年中级注册安全工程师考试《安全生产技术基础》模拟卷(二)
2021年中级注册安全工程师考试《安全生产技术基础》模拟卷(一)
2022年中级注册安全工程师考试《安全生产技术基础》临考冲刺卷(一)
中级注册安全工程师考试《安全生产技术基础》模拟1
中级注册安全工程师考试《安全生产技术基础》模拟2
中级注册安全工程师考试《安全生产技术基础》模拟3
中级注册安全工程师考试《安全生产技术基础》模拟4
中级注册安全工程师考试《安全生产技术基础》模拟5
中级注册安全工程师考试《安全生产技术基础》考试1