分析

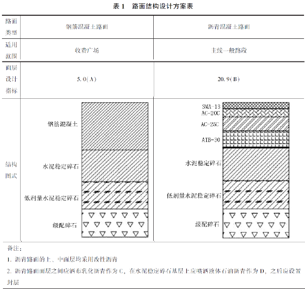
案例题 某施工单位承建了某高速公路路面工程,其主线一般路段及收费广场路面结构设计方案如下表1:

本项目底基层厚度20cm,工程数量为50万㎡。施工单位在底基层施工前完成了底基层水泥稳定碎石的配合比等标准试验工作,并将试验报告及试验材料提交监理工程师中心试验室审批。监理工程师中心试验室对该试验报告的计算过程复核无误后,批复同意施工单位按标准试验的参数进行底基层的施工。
本项目最终经监理工程师批复并实施的底基层水泥稳定碎石施工配合比为:水∶水泥∶碎石(10~30mm)∶碎石
(5~10mm)∶石屑(0~5mm)=5.8∶3.8∶48∶10∶42,最大干密度为2.4g/cm3,底基层材料的施工损耗率为1%。
(1)按组成结构分,本项目上面层、中面层分别属于哪一类沥青路面结构?
(2)写出表1中括号内A、B对应的面层设计指标的单位。
(3)写出表2中备注2所指功能层C、D的名称,并说明设置封层的作用。
(4)监理工程师中心试验室对底基水泥稳定碎石配合比审批的做法是否正确?说明理由。
(5)计算本项目底基层水泥稳定碎石的水泥需用量为多少吨?(计算结果保留一位小数)。

正确答案
(1)SMA-13是密实骨架结构;AC-20C是密实悬浮结构。
(2)A(抗折强度)为MPa(或兆帕);B(弯沉值)为0.01mm。
(3)C:粘层;D:透层。
封层的作用有:
(1)封闭某一层,起保水防水作用;
(2)起基层和上一层(ATB层)的过渡和有效连接作用;
(3)对基层的加固补强;
(4)在沥青面层铺筑前,要临时开放交通,防止基层因天气和车辆作用出现水毁。
(4)监理工程师的做法不正确。因为未进行复核(对比)试验即批复。
(5)[500000×0.2×2.4×3.8/(3.8+48+10+42)]×(1+1%)=8874.0吨
查看解析

相关试题

单选
关于滑模摊铺机前方布料的说法中,不正确的是( )。
A 卸料、布料速度与摊铺速度协调一致,不得局部或全断面缺料 B 发生缺料时应立即停止摊铺 C 采用布料机布料时,布料机和滑模摊铺机之间的施工距离宜为 5~lOm,现场蒸发率较大时,宜采用较大值 D 传力杆以下的混凝土宜在摊铺前采用手持振捣棒振实
查看
单选
关于滑模摊铺机摊铺水泥混凝土面层施工的说法,错误的是( )。
A 振捣棒下缘位置应位于挤压板最低点以下 B 摊铺过程中,间断时间应不大于混凝土的初凝时间 C 滑模摊铺机起步时,应先开启振捣棒 D 根据拌合物稠度大小,调整摊铺的振捣频率或速度等措施,保证摊铺的质量
查看
单选
( )是报价的基础和前提,也是招标人评标时要考虑的重要因素之一。
A 施工方案 B 复核工程量 C 施工单位合理的利润 D 合理的投标策略
查看
单选
混合料摊铺前,应对下承层进行处理,下列说法错误的是( )。
A 下承层为路基时,碾压过程中,发现表层松散时,宜适当洒水 B 发现“弹簧”现象时,宜采用挖开晾晒、换土、掺石灰或水泥等措施处理 C 下承层为石灰稳定碎石底基层时,应检测弯沉值 D 对搓板和辙槽应刮除;对松散应耙松洒水并重新碾压,达到平整密实
查看
单选
以下关于便桥建设要求说法错误的是( )。
A 便桥结构按照实际情况专门设计,同时应满足排洪要求 B 便桥高度不低于上年最高洪水位 C 当河窄、水浅时可选用易于拆散、组建的浮桥 D 墩架式梁桥基础常采用混凝土基础和钢桩基础
查看
单选
下列关于沥青混凝土路面特点说法错误的是( )。
A 采用相当数量的矿粉 B 会产生规则的横向裂缝 C 路面较易保持粗糙 D 适用于各级公路面层
查看
单选
下列属于浆砌挡土墙实测项目的是( )。
A 砂浆强度、中线位置、顶面高程、边坡坡度和平顺度 B 顶面坡度、断面尺寸、底面高程、表面平整度 C 顶面高程、断面尺寸、基底强度、表面平整度 D 砂浆强度、顶面高程、断面尺寸、墙面坡度
查看
单选
桥梁预应力混凝土梁存放时间超3个月,应对梁进行检测的项目是( )。
A 混凝土强度 B 应变 C 应力 D 上拱度
查看
单选
下列关于高程控制测量中水准点复测与加密规定的说法,错误的是( )。
A 同一建设项目应采用同一高程系统 B 沿路线每500m宜有一个水准点,高速公路、一级公路宜加密,每200m有一个水准点 C 在结构物附近、高填深挖路段、工程量集中及地形复杂路段,宜增设水准点 D 水准点应进行不定期检查和定期复测,复测周期应不超过1年
查看
单选
用于沥青混合料的配合比设计及沥青路面施工质量检验的试验是( )。
A 密度试验 B 马歇尔稳定度试验 C 强度试验 D 铺砂法试验
查看
刷题小程序
公路工程管理与实务题库小程序