首页
考研
最新考研题库
中外美术史23新版
建筑类
二级建造师
一级建造师
一级造价工程师
监理工程师
安全工程师
一级消防工程师
消防设施操作员
医学类
主治类
执业药师
护师(初级)资格证考试
主管护师(中级)资格证考试
护士资格证考试
医师类
中药学类
金融类
基金从业资格
银行从业资格
证券从业资格
期货从业资格
银行招聘考试
财会类
初级经济师
中级经济师
初级会计师
中级会计师
注册会计师
税务师
资产评估师
教师类
中学教师笔试
小学教师笔试
幼儿教师笔试
幼儿结构化面试
幼儿专业面试
中小学结构化面试
学历提升
成考(专升本)
成考(高起本、高起专)
自考
网校课程
登录
注册好礼
我的主页
我的提问
我的回答
退出
当前位置:
首页
>
市政公用工程管理与实务
>
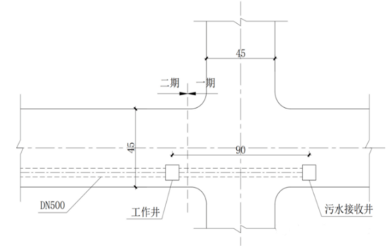
案例题 某项目部在10月中旬中标南方某城市道路改造二期工程,合同工期3个月,合同工程量为:道路改造部分长300m,宽45
分析
案例题 某项目部在10月中旬中标南方某城市道路改造二期工程,合同工期3个月,合同工程量为:道路改造部分长300m,宽45m,既有水泥混凝土路面加铺沥青混凝土面层与一期路面顺接。新建污水管线DN500深埋4.8m,旧路部分开槽埋管施工,穿越一期平交道口部分采用不开槽施工,该段长90m,接入一期预留的污水接收井,如图3所示。
项目部根据现场情况编制了相应的施工方案:
1、道路改造部分:对既有水泥混凝土路面进行充分调查后,作出以下结论:①对有破损、脱空的既有水泥混凝土路面,全部挖除,重新浇筑;②新建污水管线采用开挖埋管。/2、不开槽污水管施工部分:设一座工作井,工作井采用明挖法施工,将一期预留的接收井打开做好接收准备工作。
该方案报监理工程师审批没能通过被退回,要求进行修改后再上报,项目部认真研究后发现以下问题:
(1)既有水泥混凝土路面的破损、脱空部位不应全部挖除,应先进行维修。
(2)施工方案中缺少既有水泥混凝土路面作为道路基层加铺沥青混凝土具体做法。
(3)施工方案中缺少工作井位置选址及专项方案。
问题
1. 对已确定的破损、脱空部位进行基底处理的方法有几种?分别是什么方法?
2.对旧水泥混凝土路面进行调查时,采用何种手段查明路基的相关情况?
3. 既有水泥混凝土路面作为道路基层加铺沥青混凝土前,哪些构筑物的高程需做调整?
4.工作井位置应按什么要求选定?
正确答案
第一问;
1-1. 基底处理方法有两种:
1-2. 一种是开挖式基底处理,即换填基底材料;另一种是非开挖式基底处理,即注浆填充脱空部位的空洞。
第二问;
探地雷达。
第三问;
为配合沥青混凝土加铺应将检查井高程进行调整。
第四问;
工作井位置选择要考虑不影响地面社会交通,对附近居民的噪声和振动影响较少,且能满足施工生产组织的需要。
查看解析
搜索
相关试题
单选
土工格栅用于路堤加筋时,宜优先选用()且强度高的产品。
A 变形小,糙度小 B 变形小、糙度大 C 变形大、糙度小 D 变形大、糙度大
查看
单选
密级配沥青混凝土混合料复压宜优先选用()进行碾压。
A 钢轮压路机 B 重型轮胎压路机 C 振动压路机 D 双轮钢筒式压路机
查看
单选
用滑模摊铺机摊铺混凝土路面,当混凝土坍落度小时,应采用()的方式摊铺。
A 高频振动、低速度 B 高频振动、高速度 C 低频振动、低速度 D 低频振动、高速度
查看
单选
先张法同时张拉多根预应力筋时,各根预应力筋的()应一致。
A 长度 B 高度位置 C 初始伸长量 D 初始应力
查看
单选
钢板桩施打过程中,应随时检查的指标是()。
A 施打入土摩阻力 B 桩身垂直度 C 地下水位 D 沉桩机的位置
查看
单选
先简支后连续梁的湿接头设计要求施加预应力时,体系转换的时间是()。
A 应在一天中气温较低的时段 B 湿接头浇筑完成时 C 预应力施加完成时 D 预应力孔道浆体达到强度时
查看
单选
高压喷射注浆法在()中使用会影响其加固效果。
A 淤泥质土 B 素填土 C 硬黏性土 D 碎石土
查看
单选
混凝土水池无粘结预应力筋张拉前,池壁混凝土()应满足设计要求
A 同条件试块的抗压强度 B 同条件试块的抗折强度 C 标养试块的抗压强度 D 标养试块的抗折强度
查看
单选
关于排水管道修复与更新技术的说法正确的是()
A 内衬法施工速度快,断面受损失效小 B 管片内衬拼装宜采用机械方法 C 胀管法直管弯管均可使用 D 破管顶进法可在坚硬地层使用,受地质影响小
查看
单选
关于综合管廊廊内管道布置的说法正确的是()
A 天然气管可与热力管道同舱敷设 B 热力管道可与电力电缆同舱敷设 C 110kv及以上电力电缆不应与通信电缆同侧布置 D 给水管道进出综合管廊时,阀门应在左廊内布设
查看
刷题小程序
热门试卷
2021年一级建造师考试《市政公用工程管理与实务》真题及答案
2020年一级建造师考试《市政公用工程管理与实务》真题及答案
2019年一级建造师考试《市政公用工程管理与实务》真题及答案
2018年一级建造师考试《市政公用工程管理与实务》真题及答案
2017年一级建造师考试《市政公用工程管理与实务》真题及答案
2016年一级建造师考试《市政公用工程管理与实务》真题及答案
2022年一级建造师考试《市政公用工程管理与实务》真题及答案
2022年一级建造师延考《市政公用工程管理与实务》真题
2023年一级建造师《市政公用工程管理与实务》真题
2024年一级建造师《市政公用工程管理与实务》真题
2025年一级建造师《市政公用工程管理与实务》真题