分析

案例题 某演艺集团公司投资建设一百戏楼,占地约 60 亩,总建筑面积约 40792 ㎡(其中地下 11992 ㎡)。主要建 设内容为 1320 座专业杂技剧场、546 座地方戏小剧场、433 座综合性小剧场、排练、管理等配套附属用房以及 地下车库、人防、设备用房等。地上 5 层(小剧场地上 4 层),地下 1 层(局部 3 层),其中花篮部位(钢结 构)的跨度最大为 44.33 米。项目总投资 3.2 亿,其中消防工程 960 万。演艺集团公司通过公共资源交易电子服务系统进行招标,A 建筑公司通过电子投标最终中标总承包,B 机电公司中标消防工程。
在施工过程中 A 建筑公司把花篮部位分包给 C 公司,C 公司编制了施工方案,经过 A 公司项目技术负责人签字后开始安装,被监理工程师制止。
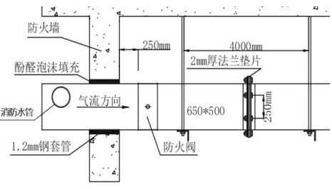
B 公司在地下主体结构完工后立即进场施工,施工过程中通风班组为了节省材料,没有按照设计路线施工,致使一排烟风管挡住了消火栓供水支管路线,引起水班组不满,项目经理通过让通风班组在风管开孔,水管从风管内部穿过,用密封胶封堵。如下图所示。
专业杂技剧场使用单独消火栓管网,工作压力为 1.2MPa,其他管网公用,工作压力为 0.9MPa,管网材质均为镀锌钢管,施工完成后分区进行了压力试验,并形成记录。

工程整体施工完毕后,演艺集团公司项目部向当地住房和城乡建设主管部门申请消防验收。
问题:
1.A 公司将花篮工程分包有哪些要求?电子招标投标系统根据功能的不同分为哪几个平台?
2.监理单位制止 C 公司的花篮工程施工是否合理,说明理由。
3.指出图中的错误,并说明理由
4.消火栓系统试验压力分别为多少?消火栓系统的调试应包括那些内容?
5.写出消防工程验收所需资料及条件。

正确答案
1.(1)《建筑法》规定,建筑工程总承包单位可以将承包工程中的部分工程发包给具有相应资质的分包单位,但是,除总承包合同中约定的分包外,必须经建设单位认可。
(2)电子招标投标系统根据功能的不同,分为交易平台、公共服务平台和行政监督平台。
2.合理。跨度 44.33 米的钢结构为超过一定规模的危大工程,C 公司编制的施工方案应当由总承包单位技术负责人及 C 公司单位技术负责人共同审核签字,并加盖单位公章。并由施工总承包单位组织召开专家论证会。专家论证前专项施工方案应当通过施工单位审核和总监理工程师审查。论证通过后方可施工。
3.
错误一:风管吊架间距过大。理由:金属风管水平安装,大于 400mm 时,间距不应大于 3m。
错误二:水管从风管穿过。理由:风管内严禁其他管线穿越。
错误三:套管使用 1.2mm 钢板。理由:套管钢板厚度应不小于 1.6mm
错误四:风管与套管之间使用酚醛泡沫填充。理由:应使用不燃柔性材料封堵
错误五:防火阀距离防火墙 250mm。理由:防火阀距离防火墙不应超过 200mm
错误六:防火阀无独立吊架。理由:直径大于 630mm 的防火阀应设置独立吊架
错误七:法兰垫片厚度 2mm。理由:排烟风管法兰垫片应为不燃材料,垫片厚度不应小于 3mm。
错误八:法兰螺栓间距 250mm。理由:排烟风管属于中压系统,中压系统矩形风管法兰螺栓的间距应小于等于150mm。
4.专业杂技剧场消火栓管网试验压力为 1.2MPa+0.4MPa=1.6MPa,其他管网试验压力为 1.4MPa。
消火栓系统的调试应包括:水源调试和测试;消防水泵调试;稳压泵或稳压设施调试;减压阀调试;消火栓调试;自动控制探测器调试;干式消火栓系统的报警阀等快速启闭装置调试,并应包含报警阀的附件电动或电磁阀等阀门的调试;排水设施调试;联锁控制试验。
5.(1)消防验收所需资料:①消防验收申报表;②工程竣工验收报告;③涉及消防的建设工程竣工图纸。
(2)特殊建设工程消防验收的条件:①完成工程消防设计和合同约定的消防各项内容。②有完整的工程消防技术档案和施工管理资料(含涉及消防的建筑材料、建筑构配件和设备的进场试验报告)。③建设单位对工程涉及消防的各分部分项工程验收合格;施工、设计、工程监理、技术服务等单位确认工程消防质量符合有关标准。
④消防设施性能、系统功能联调联试等内容检测合格。
查看解析

相关试题

单选
下列反应锅炉工作强度的指标是()。
A 额定压力 B 蒸发量 C 受热面蒸发率 D 温度
查看
单选
预防储罐焊接变形的技术措施包括( )等。
A 底板边缘板对接接头采用不等间隙,内小外大 B 底板边缘板采用隔缝焊接 C 中福板先焊长缝后含短缝 D 罐底与罐壁的角焊缝先焊外侧角焊缝后焊内侧角焊缝
查看
单选
涂料涂层施工方法中,下列说法正确的是()。
A 刷涂法是一种最简单的手工涂装方法,常用于小面积涂装 B 滚涂法适用于较大面积工件的涂装,较刷涂法效率低 C 空气喷涂法是应用最广泛的一种涂装方法,优点是空气喷涂法涂料利用率较高 D 高压无气喷涂相较于一般空气喷涂时,容易发生涂料回弹和大量漆雾飞扬的现象
查看
单选
设备入库单上的签字人不包括()。
A 设备负责人 B 设备采购人员 C 设备管理员 D 项目经理
查看
单选
单位工程绿色施工评价应由()组织。
A 建设单位 B 监理单位 C 施工单位 D 设计单位
查看
单选
可用于输送生活用水的水管材料是( )。
A 涂塑钢管 B 聚乙烯塑料管 C 聚丙烯管 D 硬聚氯乙烯管
查看
单选
球罐的焊接顺序不包括( )。
A 先焊纵缝,后焊环缝 B 先焊长缝,后焊短缝 C 先焊坡口深度大的一侧 D 后焊坡口深度小的一侧
查看
单选
给水和中水监控系统的检测数量( )。
A 抽检,数量不应少于回路,总数少于10路时应全部检测 B 系统应抽检50%,且不得少于5套,总数少于5套时应全部检测 C 应抽检20%,且不得少于5个,不足5个时应全部检测 D 全部检测
查看
单选
机电工程项目部对劳务分承包单位协调管理的重点是( )。
A 作业面的调整 B 施工物质的采购 C 质量安全制度制定 D 临时设施布置
查看
单选
电梯的安装、改造、修理必须由电梯制造单位或者其委托的依照特种设备安全法规取得许可的单位进行,电梯安装完成后对电梯安全性能负责的单位是( )。
A 电梯制造单位 B 电梯改造单位 C 电梯维修单位 D 电梯使用单位
查看
刷题小程序
机电工程管理与实务题库小程序