分析

案例题 某安装公司承接一商务楼(地上9层、地下1层)的电梯安装工程,工程有10层10站曳引式电梯2台,工期为60天。安装公司项目部进场后,将拟安装的电梯工程书面告知了电梯安装工程所在地的特种设备安全监督部门,并按合同要求编制了电梯施工方案和电梯施工进度计划。
对施工方案进行审核时发现,井道的照明布置图(如下图所示)不符合安全要求、井道内的照度也不能达标,要求项目部对施工方案进行优化。

电梯安装前,项目部对机房的设备基础、井道的建筑结构进行检测,土建施工质量均符合电梯安装要求:曳引电机、轿厢、层门等部件外观检查合格,并采用建筑塔吊及施工升降机将部件搬运到位。
施工过程中,还发生了如下事件:
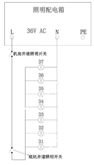
事件1:监理工程师在进行现场检查时,发现井道照明配电箱的接线方式(如下图所示)存在极大的安全隐患,要求安装公司立即停工整改。

事件2:电梯安装进入自检试运行阶段,尽管安装公司现场在电梯门口放置了“正在试运行,非工作人员禁止进入电梯”的警告标志,仍然有6名同工地非电梯安装作业人员自乘电梯至5层,电梯故障坠落至底层,造成2人死亡、4人重伤的安全事故。安装公司项目经理立即向公司主管领导进行了事故报告。
[问题]
1、安装公司进行书面告知,需要提交哪些材料?
2、指出机房井道照明布置图中存在的错误。机房井道对照度有何要求?
3、机房的电源零线和接地线应分开,接地装置的接地电阻值有何要求?
4、指出背景中的安全事故的等级?试分析发生此次安全事故的原因?

正确答案
1、安装公司进行书面告知,需要提交的材料包括:《特种设备开工告知申请书》一式两份、电梯安装资质证原件、电梯安装资质证复印件加盖公章、组织机构代码证复印件加盖公章。
2、
(1)机房井道照明布置图中存在的错误:
①井道底部的照明灯距离最低点为1.5m,超过了0.5m;
②井道底部的照明灯距离最低点为1m,超过了0.5m;
③中间灯的间距离为8m,超过了7m。
(2)井道内照度不得小于50Lx
3、
机房的电源零线和接地线应分开,接地装置的接地电阻值不应大于 4Ω。
4、
1)背景中的安全事故属于一般事故;
2)发生此次安全事故的可能原因:
①安装公司没有建立健全安全事故隐患排查治理和建档监控等制度;
②安装公司没有定期对事故隐患进行排查;
③现场管理缺失,没有指派专人监护或对门口采取上锁措施。
查看解析

相关试题

单选
下列反应锅炉工作强度的指标是()。
A 额定压力 B 蒸发量 C 受热面蒸发率 D 温度
查看
单选
预防储罐焊接变形的技术措施包括( )等。
A 底板边缘板对接接头采用不等间隙,内小外大 B 底板边缘板采用隔缝焊接 C 中福板先焊长缝后含短缝 D 罐底与罐壁的角焊缝先焊外侧角焊缝后焊内侧角焊缝
查看
单选
涂料涂层施工方法中,下列说法正确的是()。
A 刷涂法是一种最简单的手工涂装方法,常用于小面积涂装 B 滚涂法适用于较大面积工件的涂装,较刷涂法效率低 C 空气喷涂法是应用最广泛的一种涂装方法,优点是空气喷涂法涂料利用率较高 D 高压无气喷涂相较于一般空气喷涂时,容易发生涂料回弹和大量漆雾飞扬的现象
查看
单选
设备入库单上的签字人不包括()。
A 设备负责人 B 设备采购人员 C 设备管理员 D 项目经理
查看
单选
单位工程绿色施工评价应由()组织。
A 建设单位 B 监理单位 C 施工单位 D 设计单位
查看
单选
可用于输送生活用水的水管材料是( )。
A 涂塑钢管 B 聚乙烯塑料管 C 聚丙烯管 D 硬聚氯乙烯管
查看
单选
球罐的焊接顺序不包括( )。
A 先焊纵缝,后焊环缝 B 先焊长缝,后焊短缝 C 先焊坡口深度大的一侧 D 后焊坡口深度小的一侧
查看
单选
给水和中水监控系统的检测数量( )。
A 抽检,数量不应少于回路,总数少于10路时应全部检测 B 系统应抽检50%,且不得少于5套,总数少于5套时应全部检测 C 应抽检20%,且不得少于5个,不足5个时应全部检测 D 全部检测
查看
单选
机电工程项目部对劳务分承包单位协调管理的重点是( )。
A 作业面的调整 B 施工物质的采购 C 质量安全制度制定 D 临时设施布置
查看
单选
电梯的安装、改造、修理必须由电梯制造单位或者其委托的依照特种设备安全法规取得许可的单位进行,电梯安装完成后对电梯安全性能负责的单位是( )。
A 电梯制造单位 B 电梯改造单位 C 电梯维修单位 D 电梯使用单位
查看
刷题小程序
机电工程管理与实务题库小程序