1.图2-1中开始日期为2011年11月1日,完成日期为2012年6月30日,图2-2中开始日期2012年10月1日,完成日期为2013年3月30日
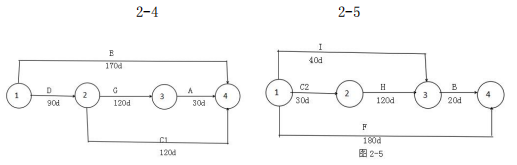
2.修订后的施工进度计划如图2-4、图2-5所示

3.E工作实际持续时间及其实进度对计划工期的影响
(1)第60天末,E工作实际拖欠计划累计工程量为12.1%;拖延20d
(2)E工作实际持续时间为180d天;不影响计划工期,因为E工作拖延时间为30d为超过E工作的总(自由)时差70d
4.施工单位停工的做法不对
施工单位可通过合同争议的处理维护自身权益,具体的途径包括:争议评审组评审(调节)、仲裁、诉讼