分析

案例题 背景资料
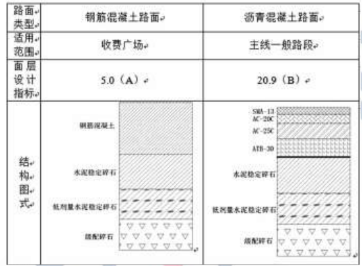
某快速路路面工程,采用工程量清单方式招标,甲公司中标并与发包人签订了施工承包合同。其主线一般路段及收费广场路面结构设计方案如下表所示。

备注:1.沥青路面的上、中面层均采用改性沥青。
2.沥青路面面层之间应洒布乳化沥青作为 C,在水泥稳定碎石基层上将乳化沥青作为 D,之后应设置封层。
合同约定当工程量增加超出清单工程量 25%时,双方可以协商调整超出 25%部分的单价,其中甲公司路基部分路基挖方的清单工程量为 60000.000 m3,单价为 15 元/m3 施工中发生如下事件:
事件一:由于设计变更,路基挖土方实际完成工程量为 90000m3,双方协商调整单价为 14 元/m3。
事件二:施工单位在底基层施工前完成了底基层水泥稳定碎石的配合比等标准试验工作,并将试验报告及试验材料提交监理工程师中心试验室审批。监理工程师中心实验室对该试验报告的计算过程符合无误后,批复同意施工单位按标准试验的参数进行底基层的施工。
【问题】
1.按组成结构分,本项目上面层、中面层分别属于哪一类沥青路面结构?
2.写出表中括号内 A、B 对应的面层设计指标的单位。写出功能层 C、D 的名称,并说明设置封层的作用。
3.事件一中,路基挖方的总价为多少元?(计算结果保留整数)
4.监理工程师中心实验室对底基层水泥稳定碎石配合比审批的做法是否正确?说明理由。

正确答案
1.SMA-13 是骨架-密实结构;AC-20C 是悬浮-密实结构。
2.A:MPa(或兆帕),B:1/100mm。 C:粘层,D:透层。
封层的作用有:
(1)封闭某一层,起保水防水作用;
(2)基层和上一层(ATB 层)的过渡和有效连接作用;
(3)对基层的加固补强;
(4)在沥青面层铺筑前,要临时开放交通,防止基层因天气和车辆作用出现水毁。
3.路基挖方按原单价结算的工程量:60000×(1+25%)=75000m3;
路基挖方按新单价结算的工程量:90000-75000=15000m3;
路基挖方总价:75000m3×15 元/m3+15000m3×14 元/m3=1335000 元。
4.监理工程师的做法不正确。因为未进行复核(对比)试验即批复。
查看解析

相关试题

刷题小程序
市政公用工程管理与实务题库小程序
热门试卷