分析

案例题 背景资料
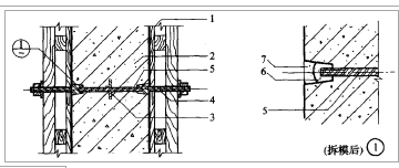
A 公司中标某供水厂的扩建工程,主要内容为一座在建调蓄水池。水池长 65m,宽 32m。为现 浇钢筋混凝土结构,筏板式基础。新建水池采用明挖基坑施工。A 公司施工项目部编制了施工组 织设计,其中含现浇混凝土水池施工方案和基坑施工方案。水池施工方案中有如下内容:采用穿 墙螺栓来平衡混凝土浇筑对模板侧压力,应选用两端可拆卸的螺栓。固定模板用螺栓的防水构造 示意图如下:

施工中发生以下事件:
事件一:池壁和顶板连续施工,为增强整体性,项目部拟将顶板支架斜杆与池壁模板杆件相 连接;池壁模板安装时,内外模均采用一次安装到顶的施工方法,没有考虑模板间杂物清扫措施。 施工缝处的橡胶止水带采用叠接,在止水带上穿孔固定就位。
事件二:施工正值雨期,基坑内地下水位急剧上升,为避免出现水池漂移,施工单位拟采取 如下措施:(1)准备了应急供电用的发电机和多台水泵。(2)可能情况下引入地下水和地表水, 使池内外无水位差。
事件三:项目进展顺利,竣工前有关部门进行施工技术文件预验收时,发现项目部人员正在 补填许多施工过程文件,且施工技术文件不完全。
【问题】
1.请指出图中 3 和 7 的名称。
2.试指出事件一中的错误之处并改正。
3.补充事件二避免水池上浮的其他措施。
4.事件三中,项目部施工技术文件的编制过程存在哪些问题?

正确答案
1.3——防渗止水环(片);7——(防水)水泥砂浆。
2.①错误一:顶板支架斜杆与池壁模板杆件相连接错误。
正确做法:顶板支架斜杆与池壁模板杆件应完全分离;
②错误二:没有考虑模板间杂物清扫措施错误。
正确做法:装池壁的最下一层模板时,应在适当位置预留清扫杂物用的窗口;
③错误三:橡胶止水带采用叠接错误。
正确做法:橡胶止水带应采用热接;
④错误四:在止水带上穿孔固定就位错误。正确做法:应用架立筋固定就位。
3.基坑四周设防汛墙、排水沟、截水沟;水池下面及基坑内四周埋设排水盲管和抽水设备。
4.竣工验收前补填施工文件不合规范,应随施工进度及时整理,并应真实、准确、齐全。
查看解析

相关试题

刷题小程序
市政公用工程管理与实务题库小程序
热门试卷