分析

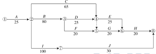
案例题 某市进行一市政主干路道路工程项目招标,投标人范围限定为本省大型国有企业。甲公司为了中标,联合当地一家施工企业进行投标。招标文件要求本工程工期为180d,技术编制小组编制了施工组织设计,对进度安排采用网络计划图(单位:d)来表示,如下图所示:

甲公司中标后,成立项目部投入该工程建设。该道路总长2.6km,其中K0+550~K1+220穿过农田,地表存在0.5m的种植土。K2+350~K3+750需对现况主干道进行拓宽改造。
道路宽度为30m,路面结构为:20cm石灰稳定土底基层,40cm石灰粉煤灰稳定砂砾基层,15cm热拌沥青混凝土面层,路基为0.5~1.0m的填土。该工程要求1月1日开工,4月30日完工,该地区冬季供暖日期是每年的11月15日至第二年的3月15日。项目部在施工前编制了施工组织设计。路基填土施工恰逢冬期。
项目部在路基施工时排除了农田积水就在原状地表土上填方,采用冻土块最大尺寸不大于
100mm,冻土块含量小于10%的土料填筑,用大吨位的振动碾碾压。
底基层施工过程中,为了节约成本,项目部就地取土(包括农田地表土)作为石灰稳定土用
土。
【问题】
1.建设单位对投标单位的限定是否合法?说明理由。
2.该网络计划图工期为多少?给出关键线路,并说明工期是否满足招标文件要求。
3.本工程施工应做哪些技术管理的准备工作?
4.指出农田路段路基填土施工中的错误,请改正。
5.是否允许采用农田地表土作为石灰稳定土用土?说明理由。

正确答案
1.(1)建设单位对投标单位的限定不合法。
(2)理由:《招标投标法》规定,依法必须进行招标的项目,其招标投标活动不受地区或者
部门的限制。任何单位和个人不得违法限制或者排斥本地区、本系统以外的法人或者其他组织参加投标,不得以任何方式非法干涉招标投标活动。
2.(1)工期为175d,满足招标文件要求。
(2)关键线路为:A→B→D→E→H(①—②—③—④—⑥—⑧)。
3.项目部技术管理的准备工作有:及时索取工程设计图纸和相关技术资料,指定专人管理并
公布有效文件清单;熟悉设计文件;编制施工组织设计,确定主要(重要)分项工程、分部工程的施工方案和质量保证计划;确定各阶段质量目标和质量保证措施;确认质量检验与验收程序、内容及标准;编制交通导行方案并提交相关部门审核等。
4.错误之处一:排除了农田积水就在原状地表土上填方。
改正:还应清除树根、杂草、淤泥等。
错误之处二:路基施工采用冻土块最大尺寸不大于100mm,冻土块含量小于10%的土料填筑,用大吨位的振动碾碾压。不正确。
改正:城镇快速路、主干路的路基不得用含有冻土块的土料填筑。
5.不允许采用农田地表土作为石灰稳定土用土。
理由:农田地表土中存在杂草等。
查看解析

相关试题

刷题小程序
市政公用工程管理与实务题库小程序
热门试卷