分析

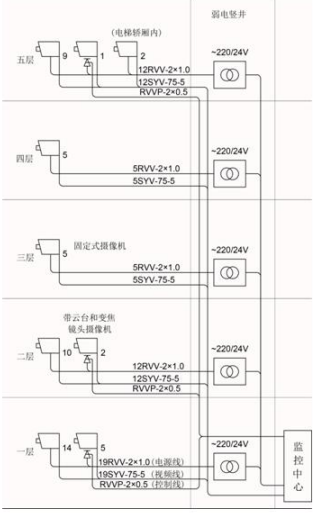
案例题 某商业中心共有15幢多层建筑,该商业中心的安全技术防范工程有:视频监控系统、门禁系统、巡查系统和地下停车库管理系统等工程。某安装公司承接该工程后,对安全技术防范系统进行施工图深化设计,其中一幢建筑室内视频监控系统如图1所示。

图1建筑室内视频监控系统示意图
安装公司项目部进场后,依据商业中心工程的施工总进度计划,编制了安全技术防范系统施工进度计划,其中视频监控系统施工进度计划见表1。该进度计划在报公司审批时,被公司总工程师否定,调整后通过审批。
项目部还根据施工图纸和施工进度编制了设备、材料供应计划。在材料送达施工现场时,施工人员按验收工作的规定,对设备、材料的数量和质量进行验收,还重点检查了摄像机和视频线缆的型号、规格,均符合施工图要求。
项目部依据工程技术文件和智能建筑工程质量验收规范规定的检测项目、检测数量及检测方法编制安全技术防范系统检测方案,该检测方案经建设单位批准后,对摄像机、门禁和巡查信息识读器等设备进行抽检,均符合规范规定。
视频监控系统施工进度计划表1

【问题】
1.视频监控系统施工进度计划为什么被总工程师否定?如何调整?
2.编制施工进度计划时还应关注哪几个专业工程的施工进度?
3.材料进场时的验收工作应按哪些规定进行?并写出材料数量和质量验收的根据。
4.图1中的视频线采用了哪种类型电缆?其外护套是什么材料?外导体内径为多少?
5.按质量验收规范要求,图1中的固定式摄像机最少应抽检多少台?在调整带云台和变焦镜头摄像机的遥控功能时应排除哪些不良现象?

正确答案
1.视频监控系统施工进度计划被总工程师否定的理由:施工进度计划中的施工程序有错,系统检测应在系统试运行合格后进行。
2.编制施工进度计划时还应关注建筑电气专业、建筑装饰专业和电梯专业工程的施工进度。
3.材料进场时的验收工作应按质量验收规范和计量检测规定进行。进场材料数量和质量验收的根据是进料计划、送料凭证、质量保证书、产品合格证。
4.图1中的视频线采用了同轴电缆,其外护套材料是聚氯乙烯塑料,外导体内径为5mm。
5.按质量验收规范要求,图1中的固定式摄像机最少应抽检9台。在调整带云台和变焦镜头摄像机的遥控功能时应排除遥控延迟和机械冲击的不良现象。
查看解析

相关试题

刷题小程序
机电工程管理与实务题库小程序
热门试卷