1.(1)计算工期:3+5+4+6+11=29个月,合同工期也为29个月,所以施工总承包单位计划工期能满足合同工期要求。
(2)为保证工程进度目标,施工总承包单位应重点控制的施工线路是:①→②→③→⑤→⑥→⑦→⑧。
2.(1)监理工程师做法妥当。理由:专业分包单位与建设单位没有合同关系,分包单位不得与建设单位和监理单位发生工作联系,所以,拒收分包单位报送专项施工方案以及对总承包单位下达停工令是妥当的。
(2)施工总承包单位做法不妥当。理由:专业分包单位与建设单位没有合同关系,监理单位不得对分包单位下达停工令;而总承包单位与建设单位有合同关系,并且应对分包工程质量和分包单位负有连带责任,所以施工总承包单位拒签停工令的做法是不妥当的。
3.事件2中,施工总承包单位可索赔的赶工费为0万元。
理由:由于G工作的总时差为2个月,因设计变更原因导致G工作停工1个月,没有超过G工作2个月的总时差,不影响合同工期,总承包单位不需要赶工都能按期完成,所以总承包单位索赔赶工费0万元。
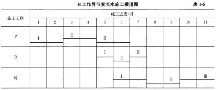
4.事件3中,流水施工调整后,H工作相邻工序的流水步距=min[2,1,2]=1个月。
H工作的工期=(3+5-1)×1=7个月,工期可缩短=11-7=4个月。
调整后H工作的施工横道图,见表1-6。
