分析

案例题 某办公楼工程,钢筋混凝土框架结构,建筑面积6800m2,地下一层,地上四层,层高4m,根据《建设工程施工合同(示范文本)》(GF-2017-0201)和《建设工程监理合同(示范文本)》(GF-2012-0202),建设单位分别与中标的施工单位和监理单位签订了施工合同和监理合同。
工程开工前,施工单位的项目技术负责人主持编制了施工组织设计,经施工项目经理审核后,施工单位技术人员审批。
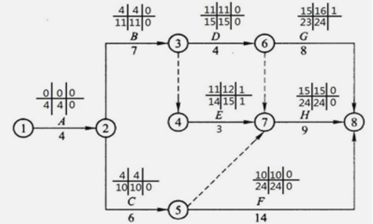
工程开工后,项目技术负责人组织对建设单位项目管理人员及监理单位项目人员进行了交底并做了交底记录。施工单位提交了进度计划网络图(如下图所示,单位:周),经监理工程师确认后按此图组织施工。

在施工过程中,因当地发生罕见的新型冠状病毒感染,施工单位向所在地建设行政主管部门和有关部门报告,疫情导致工作E的持续时间延长3天,施工单位提出3天的工期索赔。
1.分别指出施工组织设计管理的不妥之处,并写出正确做法。
2.列式计算工作C和工作G的时间参数,并确定该网络图的计算工期(单位:周)和关键线路(用工作表示)。
3.施工单位提出的工期索赔是否成立?说明理由。
4.施工现场发生法定传染病应该如何处置?

正确答案
1.施工组织设计管理的不妥之处:
不妥一:施工单位的项目技术负责人主持编制了施工组织设计不妥;
正确做法:单位工程施工组织设计由项目负责人主持编制;
不妥二:经施工项目经理审核不妥;
正确做法:报施工单位主管部门审核;
不妥三:施工单位技术人员审批不妥;
正确做法:施工单位技术负责人或其授权的技术人员审批;
不妥四:工程开工后,项目技术负责人组织对建设单位项目管理人员及监理单位项目人员进行了交底;
正确做法:在工程开工前由施工单位项目负责人组织,对项目部全体管理人员及主要分包单位逐级进行交底。
2.C工作总时差=LSC–ESC=4-4=0周;G工作的自由时差=T-EFG=9-8=1周。计算工期=4+7+9+4=24周。关键线路:A→B→D→H和A→C→F。
3.施工单位提出的工期索赔不成立,因为E工作总时差为1周(7天),由于设计变更产生的延误并没有超过总时差。
4.如发生法定传染病、食物中毒或急性职业中毒时,必须在2h内向所在地建设行政主管部门和有关部门报告,并应积极配合调查处理;同时法定传染病应及时进行隔离,由卫生防疫部门进行处置。
查看解析

相关试题

刷题小程序
建筑工程管理与实务题库小程序
热门试卷