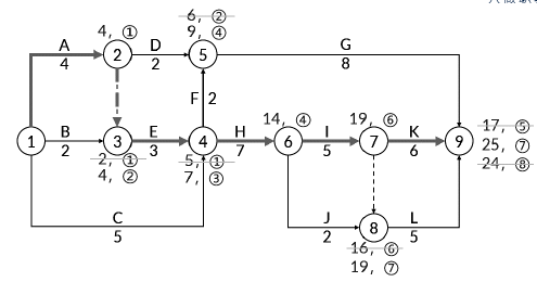
1该网络计划能否满足合同工期要求。
理由:经计算,该网络计算工期=4+3+7+5+6=25个月,合同工期25个月,能满足合同工期要求。
为确保工程按期完工,应作为重点控制对象的工作:A、E、H、I、K。

2.事件一中施工过程E的实际进度影响总工期。
理由:E为关键工作,总时差为0个月,拖后2个月会影响实际进度。
如果实际进度确实影响到总工期,为保证总工期不延长,对进度计划的调整方法有:关键工作的
调整(工期优化);改变逻辑关系;对后面的工作重新编制进度计划。
3.事件二,根据流水节拍表,判断施工过程H、I、K的流水施工属于无节奏流水施工。
采用“累加数列错位相减取大差法”计算流水步距:
(1)各施工过程流水节拍的累加数列:
施工过程H:2 5 7
施工过程I:1 3 5
施工过程K:2 5 6
(2)错位相减,取最大值得流水步距:

(3)计算工期:T=ΣK+Σtn=(4+1)+(2+3+1)=11(月)。
此时工程总工期能满足原合同工期的要求。
理由:流水施工工期是11(月),11+2=13(月),小于18个月(原H、I、K持续时间18个月),
满足合同要求。
4.事件三中进度计划的最优调整方案:
压缩K工作1月,増加直接费4万。
压缩I工作1月;増加直接费4.5万。
此时直接费用将増加4+4.5=8.5万。