分析

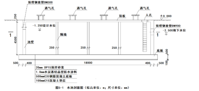
案例题 A公司承建某地下水池工程,为现浇钢筋混凝土结构。混凝土设计强度为C35,抗渗等级为P8。水池结构内设有三道钢筋混凝土隔墙,顶板上设置有通气孔及人孔,水池结构如图5-1、5-2所示。
A公司项目部将场区内降水工程分包给B公司。结构施工正值雨期,为满足施工开挖及结构抗浮要求,B公司编制了降排水方案,经项目部技术负责人审批后报送监理单位。
水池顶板混凝土采用支架整体现浇,项目部编制了顶板支架支拆施工方案,明确了拆除支架时混凝土强度、拆除安全措施,如设置上下爬梯、洞口防护等。
项目部计划在顶板模板拆除后,进行底板防水施工,然后再进行满水试验,被监理工程师制止。
项目部编制了水池满水试验方案,方案中对试验流程、试验前准备工作、注水过程、水位观测、质量、安全等内容进行了详细的描述,经审批后进行了满水试验。


问题:
1、B公司方案报送审批流程是否正确?说明理由。
2、请说明B公司降水注意事项、降水结束时间。
3、项目部拆除顶板支架时混凝土强度应满足什么要求?请说明理由。请列举拆除支架时,还有哪些安全措施?
4、请说明监理工程师制止项目部施工的理由。
5、满水试验前,需要对哪个部位进行压力验算?水池注水过程中,项目部应关注哪些易渗漏水部位?除了对水位观测外,还应进行哪个项目观测?
6、请说明满水试验水位观测时,水位测针的初读数与末读数的测读时间;计算池壁和池底的浸湿面积(单位:m^2)。

正确答案
2024教材P249-251
第一问;
1-1. 不正确;
1-2. 理由:本基坑开挖深度已经超过5m (0.25+4.5+0.5+0.1=5.35m),基坑土方开挖、支护、降水工程需要编制专项方案并组织专家论证。方案应由A 、B 公司的技术负责人审批、加盖单位公章后送审论证。
第二问;
2-1. 降水注意事项:
(1)降低后的水位满足施工要求(基底以下不小于0.5m);
(2)周边环境的保护(地表下沉,周围建筑物开裂,地下管线变形) ;
(3)施工期间不得间断降水;
(4)对降水所用的机具随时做好保养维护,有备用机具;
(5)排放的水应输送至降水影响半径范围以外的河道或排水管道。
2-2. 降水结束时间:水池主体结构施工完毕,且水池具备抗浮条件时。
第三问;
3-1. 顶板混凝土强度应达到设计强度(达到35MPa)
3-2. 理由:根据相关规定,板跨度大于8m时,混凝土强度达到设计强度的100%才能拆除模板支架。
3-3. 安全措施:
①设警示标志,专人指挥。
②工人佩戴必要劳动防护用品并进行了安全技术交底
③采取强制通风,气体检测,36v以下低压防水灯。
④支架由上而下逐层拆除,不得上下同时作业。
⑤严禁抛扔模板、杆件,分类码放。
第四问;
理由:现浇钢筋混凝土水池应在满水试验合格后方能进行防水施工。
第五问;
5-1. 对池壁DN900预埋钢套管、进出水口的临时封堵进行压力验算。
5-2. 易渗漏水部位,池壁的施工缝位置,预留孔洞,预埋管口,池壁对拉螺杆螺栓孔封堵处、池壁混凝土裂缝处还应进行外观观测。
第六问;
6-1. 初读数:注水至设计水深24h后;末读数:初读数后间隔不少于24h后。
6-2. 浸湿面积: 池底:18x16-0.25x 11x3= 279.75m^2
池壁:水池注满水的高度为:4.50+ 0.25- 1.25=3.5m
3.5x(16+18) x2=238m^2
池壁和池底浸湿总面积为:279.75+238=517.75m^2
注意:对于池壁和池底浸湿面积的计算存在争议,建议理解此题即可,不需要过多纠结。 理解一:池壁扣减隔墙面积,池底不扣减; 理解二:池底扣减隔墙面积,池壁不扣减; 理解三:池壁扣减隔墙面积,池底也扣减隔墙面积。 关于套管面积,因为套管位置本身也需要封堵,而且封堵位置也有渗水可能性,所以计算浸湿面积时不能扣除。
查看解析

相关试题

单选
主要起防水、磨耗、防滑或改善碎(砾)石作用的路面面层是( )。
A 热拌沥青混合料面层 B 冷拌沥青混合料面层 C 沥青贯入式面层 D 沥青表面处治面层
查看
单选
存在于地下两个隔水层之间,具有一定水头高度的水,称为( )。
A 上层滞水 B 潜水 C 承压水 D 毛细水
查看
单选
以粗集料为主的沥青混合料复压宜优先选用( )。
A 振动压路机 B 钢轮压路机 C 重型轮胎压路机 D 双轮钢筒式压路机
查看
单选
现场绑扎钢筋时,不需要全部用绑丝绑扎的交叉点是( )。
A 受力钢筋的交叉点 B 单向受力钢筋网片外围两行钢筋交叉点 C 单向受力钢筋网中间部分交叉点 D 双向受力钢筋的交叉点
查看
单选
关于桥梁支座的说法,错误的是( )。
A 支座传递上部结构承受的荷载 B 支座传递上部结构承受的位移 C 支座传递上部结构承受的转角 D 支座对桥梁变形的约束应尽可能的大,以限制梁体自由伸缩
查看
单选
关于先张法预应力空心板梁的场内移运和存放的说法,错误的是( )。
A 吊运时,混凝土强度不得低于设计强度的75% B 存放时,支点处应采用垫木支承 C 存放时间可长达3个月 D 同长度的构件,多层叠放时,上下层垫木在竖直面上应适当错开
查看
单选
钢梁制造企业应向安装企业提供的相关文件中,不包括( )。
A 产品合格证 B 钢梁制造环境的温度、湿度记录 C 钢材检验报告 D 工厂试拼装记录
查看
单选
地铁基坑采用的围护结构形式很多,其中强度大,开挖深度大,同时可兼作主体结构一部分的围护结构是( )。
A 重力式水泥土挡墙 B 地下连续墙 C 预制混凝土板桩 D SMW工法桩
查看
单选
盾构接收施工,工序可分为①洞门凿除、②到达段掘进、③接收基座安装与固定、④洞门密封安装、⑤盾构接收,施工程序正确的是( )。
A ①-③-④-②-⑤ B ①-②-③-④-⑤ C ①-④-②-③-⑤ D ①-②-④-③-⑤
查看
单选
关于水处理构筑物特点的说法中,错误的是( )。
A 薄板结构 B 抗渗性好 C 抗地层变位性好 D 配筋率高
查看
刷题小程序
市政公用工程管理与实务题库小程序