1.答案:

2.答案:

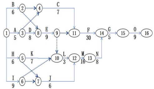
3.答案:进度计划的关键线路有两条第一条是:A-D-E-F-G-O
工期为:5+8+9+30+5+9=66(天)
4.答案:
事件一不可以索赔,因为 C 的总时差为 9 天,大于耽误的时间 2 天,所以不可以索赔。
事件二可以索赔 1 天,因为 H 是关键工作,设计图纸的问题属于建设单位的责任,可以索赔
事件三不可以索赔,子管被堵塞属于施工单位的质量问题,不可索赔
5.答案:塑料子管的规格及质量、子管敷设安装质量、光(电)缆敷设安装质量、光(电)缆接头装置的安装质量等。
6.答案:管孔占用、子管穿放、子管占用、管口封堵;人(手)孔内原有设备的保护;线缆穿放、人孔内线缆预留。